Mesnet Birleşimi Tanımlama
Mesnet Birleşimi komutu ile kolon-kiriş birleşimi tanımlanır.

Mesnet Birleşimi Komutunun Yeri
Ribbon menü Birleşim sekmesi Konstrüktif Birleşimler başlığı altından ulaşabilirsiniz.

İşlem Adımları
Hızlı Çizim Modu Açık
Birleşim sekmesinden Mesnet Birleşimi ikonunu tıklayın.
3 Boyutlu perspektif görüntüde fare imlecini ilgili elemanın üzerine, mesnete yakın bir bölgeye yaklaştırın
Bu işlemden sonra birleşimin sanal görüntüsü belirecektir.
Birleşim uygun ise farenin sol tuşunu tıklayarak birleşimi oluşturun.
Birleşim varsayılan ayarlarla oluşacaktır.
Hızlı Çizim Modu Kapalı
Birleşim sekmesinden Mesnet Birleşimi ikonunu tıklayın.
3 Boyutlu perspektif görüntüden önce kolonu sonra kirişi tıklayın.
Mesnet birleşimi ayarları diyaloğu açılacaktır.
İstenilen ayarlar yapılıp Tamam butonu tıklandığında birleşim oluşacaktır.
Mesnet Birleşimi Ayarları Diyaloğunun Yeri
Hızlı çizim modu kapalı ise birleşim ayarları otomatik açılacaktır.
Hızlı çizim modu açık ise oluşan birleşim seçilip farenin sağ tuşuna tıklayın. Açılan sağ tuş menüden Özellikler satırını tıklayın.

Mesnet Birleşimi Ayarları Diyaloğu
Geometri ve Tip Sekmesi

Özellikler |
|---|
Tip ![]() Listeden bağlantı tiplerinden biri seçilir. |
Levha Boyutları ![]() Levha boyutları değerler girilerek belirlenir. Girilecek değerler şematik çizimde gösterilmektedir. |
Bilyeler ![]() Bilye boyutları değerler girilerek belirlenir. |
Şematik çizim ![]() Birleşim ve levha değerleri şematik çizim üzerinde gösterilir. |
Öngörüntü ![]() Birleşimin öngörüntüsü yer alır. Yapılan seçim ve girilen değerler öngörüntü de eşzamanlı olarak takip edilebilir. |
Kaynaklar Sekmesi

Özellikler |
|---|
Kaynaklar ![]() Birleşim yerlerine yapılacak kaynakların kalınlık, tip ve açı değerleri verilir. Şantiyede yapılıp yapılmayacağı bilgisi girilir. |
Kaynak elektrodu ![]() Tasarım girdilerinde kaynak elektrotlarının dayanımları tanımlanır. Kaynak birleşiminde yer alan ana eleman dayanımı, kaynak dayanımından daha az dayanıma sahip olması koşulu kontrol edilir. Kaynak elektrodu oluşturmak için "Yeni Oluştur" tıkladıktan sonra açılan diyalogda "Ad" ve "Dayanım" bilgilerini verin. Kaynak geometrisi program tarafından otomatik belirlenir. Birleşim özelliklerini kolayca belirlemek için bu özellikler değiştirilebilir. Geometri özellikleri endüstri standartlarına uygun ve AISC’ de belirtildiği formdadır. ![]() |
Şematik çizim ![]() Birleşim ve kaynak değerleri şematik çizim üzerinde gösterilir. |
Öngörüntü ![]() Birleşimin öngörüntüsü yer alır. Yapılan seçim ve girilen değerler öngörüntü de eşzamanlı olarak takip edilebilir. |
Kren Sekmesi
Tip bölümünde krenli mesnet tipi seçildiğinde aktif olur.

Özellikler |
|---|
Boyutlar ![]() Kren boyutları değerler girilerek belirlenir. Girilecek değerler şematik çizimde gösterilmektedir. |
Şematik çizim ![]() Birleşim ve levha değerleri şematik çizim üzerinde gösterilir. |
Öngörüntü ![]() Birleşimin öngörüntüsü yer alır. Yapılan seçim ve girilen değerler öngörüntü de eşzamanlı olarak takip edilebilir. |
Bulonlar Sekmesi
Tip bölümünde bulonlu mesnet tipi seçildiğinde aktif olur.

Özellikler |
|---|
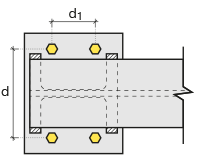
Yatay yerleşim ![]() Bulonların yatay yerleşim uzaklık değeri girilir. Girilecek değerler şematik çizimde gösterilmektedir. |
Grup 1 ![]() Bulonları kirişe ve diğer bulonlara uzaklık değerleri girilir. Girilecek değerler şematik çizimde gösterilmektedir. |
Bulon özellikleri ![]() Bulon özellikleri butonu tıklanarak Delik ve Bulon Paramatreleri diyaloğu açılır. Bulon özellikleri bu diyalogdan ayarlanır. |
Şematik çizim ![]() Birleşim ve bulon yerleşim değerleri şematik çizim üzerinde gösterilir. |
Öngörüntü ![]() Birleşimin öngörüntüsü yer alır. Yapılan seçim ve girilen değerler öngörüntü de eşzamanlı olarak takip edilebilir. |
Guse Sekmesi
Tip bölümünde guseli mesnet tipi seçildiğinde aktif olur.

Özellikler |
|---|
Rijitleştirici boyutları ![]() Kren boyutları değerler girilerek belirlenir. Girilecek değerler şematik çizimde gösterilmektedir. |
Şematik çizim ![]() Birleşim ve levha değerleri şematik çizim üzerinde gösterilir. |
Öngörüntü ![]() Birleşimin öngörüntüsü yer alır. Yapılan seçim ve girilen değerler öngörüntü de eşzamanlı olarak takip edilebilir. |
Tasarım Girdileri Sekmesi

Tasarım girdilerinde birleşim elemanları malzemesi tanımlanır.

Gerekirse listeyi tıklayıp "yeni birleşim elemanları malzemesi" tanımlayın. Birleşim elenaları malzemesi oluşturmak için "Yeni Oluştur" tıkladıktan sonra açılan diyalogda "Malzeme tanımı" ve "Malzeme değerleri" bilgilerini verin.
Sonraki Konu


















