Kutu ve Boru Profiller için Alın Levhalı Makas Birleşimi
Kutu ve Boru Profiller için Alın Levhalı Makas Birleşim komutu ile kolon-makas birleşimi tanımlanır

Kutu ve Boru Profiller için Alın Levhalı Makas Birleşimi Komutunun Yeri
Ribbon menü Birleşim sekmesi Konstrüktif Birleşimler başlığı altından ulaşabilirsiniz.

İşlem Adımları
Kolon ve boru profillerden oluşan makaslarınız çizip, ayarlarını yaptıktan sonra;
Mesnet Bölgesi Birleşimi listesinden Kutu ve Boru Profiller için Alın Levhalı Makas Birleşimi satırını tıklayın.
Ana elemanı (kolon) seçin ve farenin sağ tuşuna tıklayın.
Ana elemana bağlanan makas elemanlarını seçin ve farenin sağ tuşuna tıklayın.
Birleşim varsayılan ayarlarla oluşacaktır.
Alın Levhalı Makas Birleşim Ayarları Diyaloğunun Yeri
Oluşan birleşim seçilip farenin sağ tuşuna tıklayın. Açılan sağ tuş menüden Özellikler satırını tıklayın.

Kutu ve Boru Profiller için Alın Levhalı Makas Birleşimi Diyaloğu
Levhalar Sekmesi

Özellikler |
|---|
Alın levhası ![]()
Alın levhası değer girilerek belirlenir. Girilecek değerler şematik çizimde gösterilmektedir. |
Şematik çizim ![]() Birleşim ve levha değerleri şematik çizim üzerinde gösterilir. |
Öngörüntü ![]() Birleşimin öngörüntüsü yer alır. Yapılan seçim ve girilen değerler öngörüntü de eşzamanlı olarak takip edilebilir. |
Kesimler Sekmesi

Özellikler |
|---|
Kesimler ![]() Levhaların sahada kolay montajı için şev kullanılmasına, şev tipine ve geometrik özellikleri değer girilerek belirlenir. |
Şematik çizim ![]() Birleşim ve levha değerleri şematik çizim üzerinde gösterilir. |
Öngörüntü ![]() Birleşimin öngörüntüsü yer alır. Yapılan seçim ve girilen değerler öngörüntü de eşzamanlı olarak takip edilebilir. |
Berkitme Levhaları Sekmesi

Özellikler |
|---|
Berkitme Levhaları ![]() Levha boyutları değerler girilerek belirlenir. Girilecek değerler şematik çizimde gösterilmektedir. |
Şematik çizim ![]() Birleşim ve levha değerleri şematik çizim üzerinde gösterilir. |
Öngörüntü ![]() Birleşimin öngörüntüsü yer alır. Yapılan seçim ve girilen değerler öngörüntü de eşzamanlı olarak takip edilebilir. |
Bulonlar Sekmesi

Özellikler |
|---|
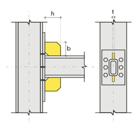
Yatay yerleşim ![]() Bulonların yatay yerleşim uzaklık değeri girilir. Girilecek değerler şematik çizimde gösterilmektedir. |
Grup 1 ![]() Bulonları kirişe ve diğer bulonlara uzaklık değerleri girilir. Girilecek değerler şematik çizimde gösterilmektedir. |
Bulon özellikleri ![]() Bulon özellikleri butonu tıklanarak Delik ve Bulon Paramatreleri diyaloğu açılır. Bulon özellikleri bu diyalogdan ayarlanır. |
Şematik çizim ![]() Birleşim ve bulon yerleşim değerleri şematik çizim üzerinde gösterilir. |
Öngörüntü ![]() Birleşimin öngörüntüsü yer alır. Yapılan seçim ve girilen değerler öngörüntü de eşzamanlı olarak takip edilebilir. |
Kaynaklar Sekmesi

Özellikler |
|---|
Kaynaklar ![]() Birleşim yerlerine yapılacak kaynakların kalınlık, tip ve açı değerleri verilir. Şantiyede yapılıp yapılmayacağı bilgisi girilir. |
Kaynak elektrodu ![]() Tasarım girdilerinde kaynak elektrotlarının dayanımları tanımlanır. Kaynak birleşiminde yer alan ana eleman dayanımı, kaynak dayanımından daha az dayanıma sahip olması koşulu kontrol edilir. Kaynak elektrodu oluşturmak için "Yeni Oluştur" tıkladıktan sonra açılan diyalogda "Ad" ve "Dayanım" bilgilerini verin. ![]() |
Şematik çizim ![]() Birleşim ve kaynak değerleri şematik çizim üzerinde gösterilir. |
Öngörüntü ![]() Birleşimin öngörüntüsü yer alır. Yapılan seçim ve girilen değerler öngörüntü de eşzamanlı olarak takip edilebilir. |
Tasarım Girdileri Sekmesi

Tasarım girdilerinde birleşim elemanları malzemesi tanımlanır.

Gerekirse listeyi tıklayıp "yeni birleşim elemanları malzemesi" tanımlayın. Birleşim elenaları malzemesi oluşturmak için "Yeni Oluştur" tıkladıktan sonra açılan diyalogda "Malzeme tanımı" ve "Malzeme değerleri" bilgilerini verin.
Sonraki Konu














