Veranda Korkuluklarını Oluşturun
Bu bölümde yapı bilgi modellemesi kapsamında, mimari tasarımda veranda korkuluklarını oluşturun.
Veranda korkuluklarını oluşturun adlı proje dosyasında önceki adımlar uygulanmıştır. Dosyayı indirip bu başlıkta verilen adımları proje üzerinde uygulayabilirsiniz. |
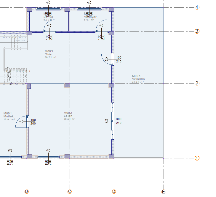
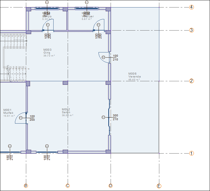
Korkuluk komutuna girin.
D-1 aks kesişimini başlangıç noktanız olarak tıklayın.
E-1 aks kesişimine tıklayın.

Boşluk tuşuna basıp korkuluğu aksın diğer tarafına kaydırın. E-2 aks kesişimine tıklayın.

Farenin sağ tuşuna tıklayarak komutu sonlandırın. Korkuluklar oluşacaktır.

Korkuluk komutuna girin.
E-3 aks kesişimini sonra E-4 aks kesişimine tıklayın.

D-4 aks kesişimine tıklayın.

Farenin sağ tuşuna tıklayarak komutu sonlandırın. Korkuluklar oluşacaktır.

Veranda korkulukları tamamlandı.
Uygulanan adımları aşağıdaki videodan takip edebilirsiniz.
Sonraki Konu