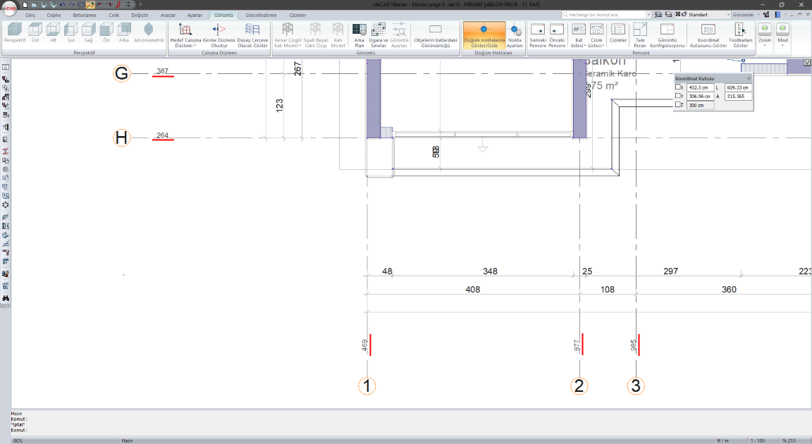
Aks Bilgi Yazısı
Aks ayarları menüsünden "Bilgi Yazısı" aktif hale getirilerek aksların orjine olan mesafesi görünür.
Aks mesafelerini görmek için;
Akslarınızın hepsini seçin ve özelliklerine girin.
Aks ayarları diyaloğunda bilgi yazısı sekmesine girin. Bilgi yazısı var seçeneğini işaretleyip ayarlarınızı düzenleyin.
Katman ayarları diyaloğu çizim detayları sekmesinden Aks Uzaklığı satırını işaretleyin.
Akslarınızın orijine olan uzaklığı bilgisi aks çizgilerinizde görünecektir.

Sonraki Konu