Başlık Levhalı Bulonlu Birleşim Koşulları ve Uygulama Sınırları
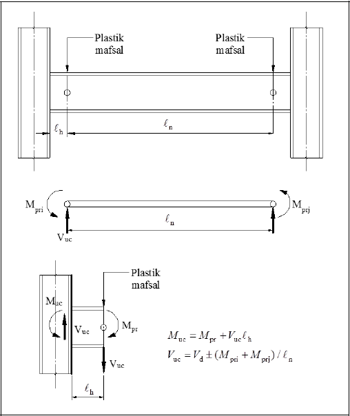
Bulonlu başlık levhalı moment aktaran birleşimlerin sağlanması gereken koşullar TBDY EK 9B 'de belirtildiği şekilde kontrol edilir. TBDY 2018 Şekil 9B.4’ e uygun birleşim modeli otomatik yapılır.

Sağlaması gereken koşullar
Ek 9B ‘de belirtilen süneklik düzeyi sınırlı için en az 0.02 radyan, süneklik düzeyi yüksek için ise en az 0.04 radyan dönme açısını sağlayacak kapasitede olması gerekir.
Hadde geniş başlıklı kesitler için aşağıda detaylandırılacak sınırlara uyulmalıdır.
Esaslar
Birleşim boyutlandırmasında sadece YDKT yöntemi kullanılacaktır. Sınır durumlar için kullanılan dayanım katsayıları ise şunlardır:
Sünek göçme sınır durumu (Akma Sınır Durumu):

Sünek olmayan göçme sınır durumu (Kırılma Sınır Durumu):

Plastik mafsal boyu lh her bir birleşim tipi için ilgili uygulama kuralları bölümünde tanımlanmıştır.
Plastik mafsal moment değerleri:


Birleşimin boyutlandırılmasında kullanılan Vuc, akma durumu esas alınarak belirlenen kesme kuvveti ile kiriş ucundaki plastik mafsalda 1.2G+0.5Q+0.2S kombinasyonundan hesaplanan kesme kuvveti toplanarak yukarıdaki görselde yer alan denkleme göre belirlenir.
Kayma bölgesi için gerekli kesme kuvveti dayanımı, kolona birleşen kirişlerin olası plastik momentleri etkisinden meydana gelen kolon kesme kuvveti kullanılarak hesaplanır.


Uygulama Sınırları

Sonraki Konu