Başlık Levhalı Bulonlu Birleşim Raporu 1
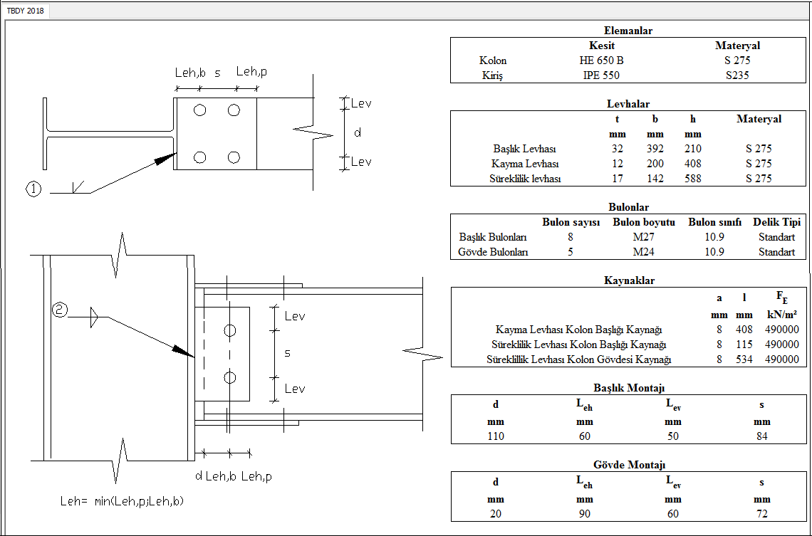
Başlık levhalı bulonlu birleşim tasarımı Çelik Yapıların Tasarım, Hesap ve Yapım Esasları (ÇYTHYEDY), AISC 360-16, AISC 358-16 ve TBDY yönetmeliklerine göre otomatik yapılır ve birleşim raporu oluşturulur.










Sonraki Konu