Moment Aktaran Birleşim Tasarımı
Moment Aktaran Birleşim veya Rijit Birleşim tasarımı Çelik Yapıların Tasarım, Hesap ve Yapım Esasları (ÇYTHYEDY) (GKT ve YDKT) ve AISC 360-16 (ASD ve LRFD) yönetmeliklerine göre otomatik yapılır. Bulon, kaynak ve levha kontrolleri çelik birleşim tipine uygun şekilde geometri kontrolleri ve dayanım kontrolleri otomatik yapılır.
Moment aktaran birleşim türleri aşağıda listelenmiştir.
Moment Etkisinde Tasarım Kabulleri
Moment aktaran birleşimler rijit ve tam/kısmi dayanımlı birleşimlerdir.
Rijit birleşimler için alın levhalı ve kaynaklı birleşimler dönme rijitliğine göre sınıflandırılır ve süneklik düzeyine bağlı olarak dönme rijitliği oranları deprem yönetmeliğinde tanımlanmıştır.
Alın Levhalı Birleşimler için Genel Hesap Kuralları
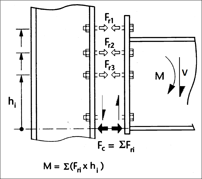
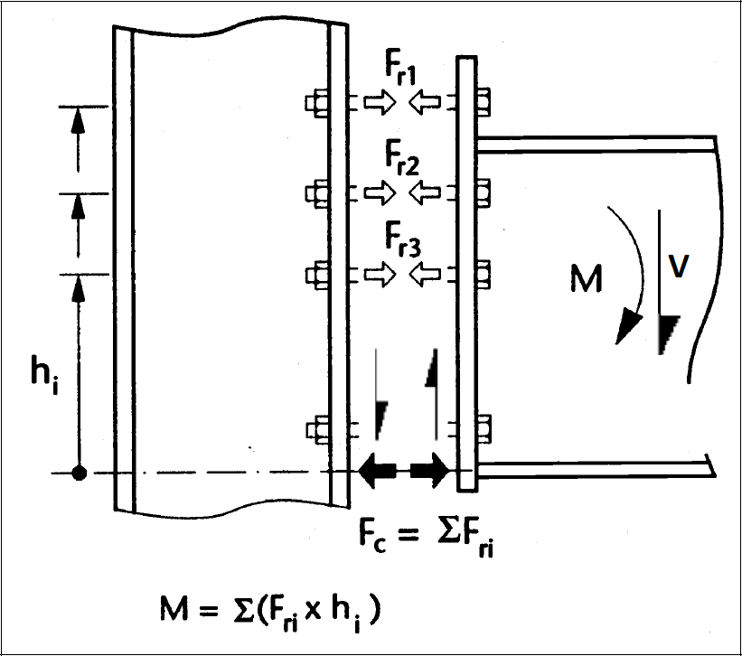
Alın levhalı birleşiminin dayanımı, bir başlıkta bulonların çekme kuvveti diğer başlıkta ise basınç kuvveti etkisinde ezilme sınır durumunun kontrol ettiği varsayımı ile belirlenir.
Birleşim üzerinde eksenel bir yük mevcut değil ise toplam kuvvet, kuvvet çifti oluşturacak şekilde, her iki başlıkta, toplam çekme ve basınç kuvvetleri eşit ve ters yönlüdür.
Hesap kolaylığı açısından dönme merkezinin basınç başlığının merkezinde olduğu kabul edilir.

Bindirme Levhalı Kolon/Kiriş Eki Genel Hesap Kuralları
Deprem etkisini gibi tersinir etkiler altında tasarıma uygun olması için her iki başlık ve ve gövdede simetrik ve eşit sayıda bulon kullanılır. ideCAD modelleme sırasında asimetrik yapıya izin vermez.
Başlıkların moment etkisini, gövdenin ise kesme kuvvetini taşıdığı kabul edilirken, eksenel kuvvet her iki başlık arasında eşit paylaştırılır.
Kiriş eklerinde arada boşluk bırakılırken, kolon eklerinde bırakılmayabilir.

TBDY 2018 Moment Etkisinde Tasarımda Kabuller
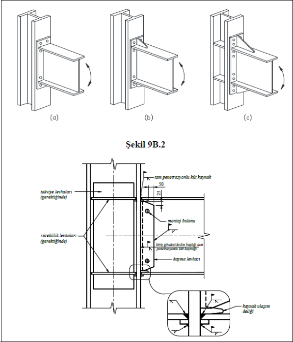
Süneklik düzeyine bağlı olarak TBDY 2018 9B.1 kapsamında birleşimlerin en az 0.04 veya 0.02 radyan göreli öteleme açısını sağlayabileceği belirlenen birleşimler kullanılmak zorundadır. Bu birleşimler ideCAD Statik’de tasarımı yapılan Alın levhalı birleşimler ile başlık levhalı birleşimlerdir.
TBDY 2018 Ek 9B’ de yer alan moment aktaran birleşimlerin her birine ait ilgili tablolardaki kontrollerin gerçekleştirilmesi için Analiz ve Tasarım sekmesinde yer alan moment aktaran ve merkezi çaprazlı çerçeve komutları kullanılarak tanımlamalarının yapılması gerekir.

Birleşimlerin tasarımı TBDY 2018 ile birlikte elde edilmek istenirse YDKT yöntemi deprem yönetmeliği gereği zorunludur.
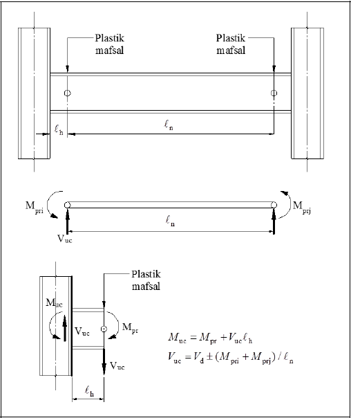
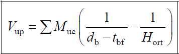
Birleşimlerin kolon yüzündeki gerekli eğilme momenti dayanımı Muc ve gerekli kesme kuvveti dayanımı Vuc kiriş ucundaki plastik mafsallar üzerinden hesaplanır. Hesapta aşağıdaki görselde yer alan formüller kullanılır.


Birleşimin boyutlandırılmasında kullanılan Vuc, akma durumu esas alınarak belirlenen kesme kuvveti ile kiriş ucundaki plastik mafsalda 1.2G+0.5Q+0.2S kombinasyonundan hesaplanan kesme kuvveti toplanarak yukarıdaki görselde yer alan denkleme göre belirlenir.
Plastik mafsal boyu TBDY 2018’de her bir birleşim için ayrı ayrı belirtilmiştir ve bu kurallara uygun otomatik hesap yapılır. Detayları her bir ilgili birleşimde verilecektir.
Kayma bölgesi için gerekli kesme kuvveti dayanımı, kolona birleşen kirişlerin olası plastik momentleri etkisinden meydana gelen kolon kesme kuvveti kullanılarak hesaplanır.


Simgeler
Cpr : Birleşimde pekleşme, vb. durumları dikkate alan ve olası en büyük eğilme momenti dayanımının hesabı için kullanılan bir katsayı
Fu : Yapısal çelik karakteristik çekme dayanımı
Fy : Yapısal çelik karakteristik akma gerilmesi
lh : Kiriş uçlarındaki olası plastik mafsal noktasının kolon yüzüne uzaklığı
ln : Kiriş uçlarındaki olası plastik mafsal noktaları arasında kalan kiriş açıklığı
Mpr : Olası eğilme momenti kapasitesi
Mpri : Kirişin sol ucu i’deki olası eğilme momenti kapasitesi
Mprj : Kirişin sağ ucu j’deki olası eğilme momenti kapasitesi
Muc : Birleşimin kolon yüzündeki gerekli eğilme momenti dayanımı
Ry : Olası akma gerilmesinin karakteristik akma gerilmesine oranı
Vd : Kirişin plastik mafsal noktasında, düşey yüklerden meydana gelen basit kiriş kesme kuvveti
Vuc : Birleşimin kolon yüzündeki gerekli kesme kuvveti dayanımı
Sonraki Konu