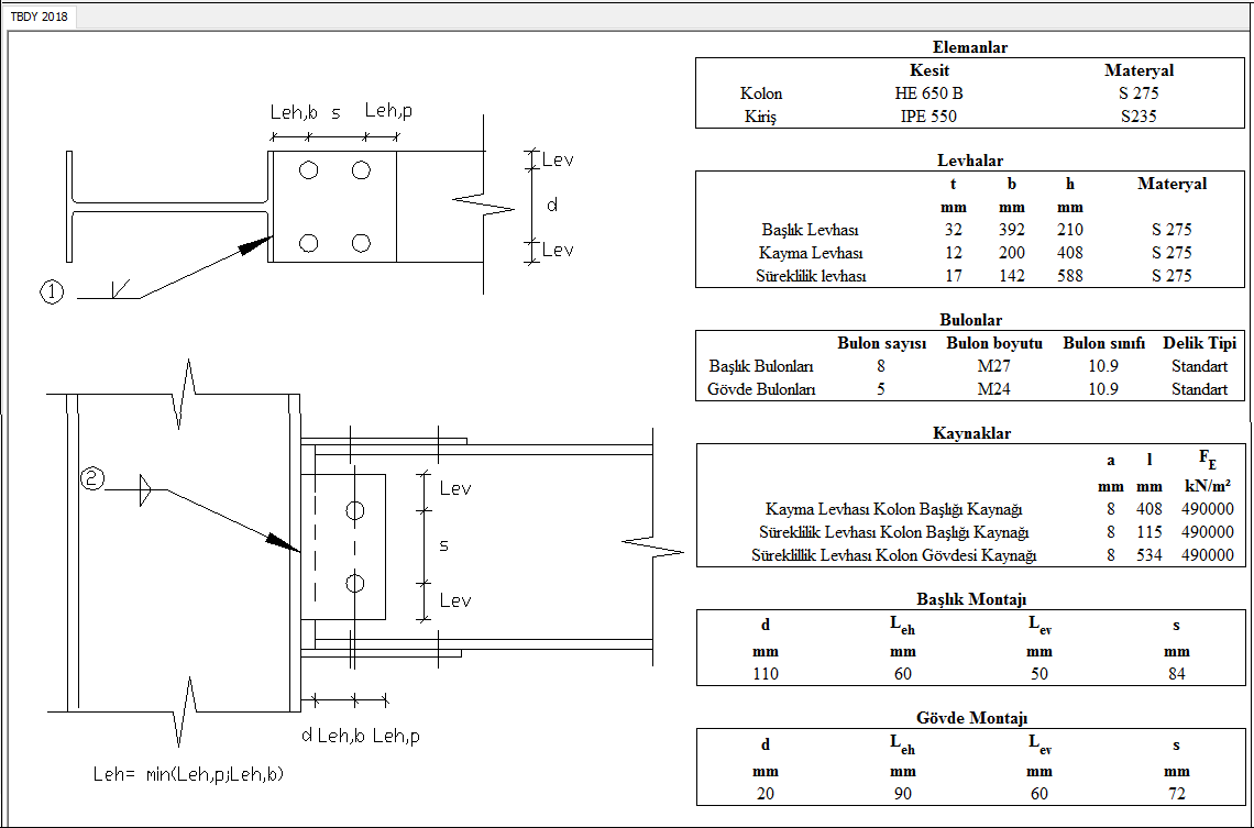
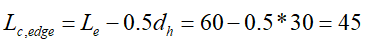
Başlık Levhalı Bulonlu Birleşim Tasarımı
Başlık Levhalı Bulonlu Birleşim, kolon başlığına kaynaklı, kiriş başlığına bulonlu birleştirilen başlık levhaları ile oluşturulur. Bulon kontrolü, kaynak kontrolü, levha kontrolü ve birleşim uygulama sınırları kontrolü birleşimin elemanlarının yerleşimine göre otomatik yapılır. Başlık Levhalı Bulonlu Birleşim tasarımı Çelik Yapıların Tasarım, Hesap ve Yapım Esasları (ÇYTHYEDY) veya AISC 360-16 yönetmeliklerine göre otomatik yapılır ve birleşim raporu oluşturulur. Birleşim detayı uygulama sınırları TBDY Tablo 9B.2 'ye göre kontrol edilir.
Başlık Levhalı Bulonlu Birleşim hesabında, geometri kontrolünde yatay ve düşey bulon mesafeleri, alın levhası kaynak kalınlığı, süreklilik levhası kaynak kalınlığı ve uygulama sınırları kontrolü yapılır. Dayanım kontrolünde bulon çapı, başlık ve gövde bulonlarında kayma, başlık ve gövde bulon deliğinde ezilme, kiriş başlığı bulon deliğinde ezilme, başlık levhası çekme akması ve çekme kırılması, başlık levhasında ve kiriş başlığında blok kayma, kiriş ve gövde levhası kayma kırılması, gövde levhasında blok kayma, gövde levhası eğilme akması, kayma levhası kolon başlığı kaynak dayanımı, kolon panel bölgesi kayması ve kayma bölgesi kalınlığı kontrolü yapılmaktadır.
Birleşim Geometrisi



GEOMETRİ KONTROLLERİ
Başlıkta Bulonlar arası mesafe
smin ≥ 3d | ÇYTHYEDY 13.3.6 |
|
|
s | 84 mm |
|
|
d | 27 mm | s =84 mm > smin = 3*27=81 mm | √ |
Başlıkta Yatay Kenar Mesafesi
Le ≥ Le- min | ÇYTHYEDY 13.3.7 |
|
|
Le | 60 mm | Le ≥ 2d=2*27=54 mm uygulama için uygunluk kontrolü | √ |
Le- min | 36 mm | Tablo 13.9 gereği minimum uzaklık kontrolü | √ |
Başlıkta Düşey Kenar Mesafesi
Le ≥ Le- min | ÇYTHYEDY 13.3.7 |
|
|
Le | 50 mm | Le ≥ 2d=2*27=mm uygulama için uygunluk kontrolü | √ |
Le- min | 36 mm | Tablo 13.9 gereği minimum uzaklık kontrolü | √ |
Kaynak Kalınlığı
a ≥ a min | ÇYTHYEDY 13.3.7 |
|
|
a | 9 mm |
| √ |
a min | 3.5 mm | Tablo 13.4 | √ |
Gövdede Bulonlar arası mesafe
smin ≥ 3d | ÇYTHYEDY 13.3.6 |
|
|
s | 72 mm |
|
|
d | 24 mm | s =7 mm > smin = 3*24=72 mm | √ |
Gövdede Yatay Kenar Mesafesi
Le ≥ Le- min | ÇYTHYEDY 13.3.7 |
|
|
Le | 90 mm | Le ≥ 2d=2*24=48 mm uygulama için uygunluk kontrolü | √ |
Le- min | 32 mm | Tablo 13.9 gereği minimum uzaklık kontrolü | √ |
Gövdede Düşey Kenar Mesafesi
Le ≥ Le- min | ÇYTHYEDY 13.3.7 |
|
|
Le | 60 mm | Leh ≥ 2d=2*24=48 mm uygulama için uygunluk kontrolü | √ |
Le- min | 32 mm | Tablo 13.9 gereği minimum uzaklık kontrolü | √ |
Kayma Levhası Kolon Başlığı Kaynak Kalınlığı
a ≥ a min | ÇYTHYEDY 13.3.7 |
|
|
a | 8 mm |
| √ |
a min | 3.5 mm | Tablo 13.4 | √ |
Süreklilik Levhası - Kolon Başlığı Kaynak Kalınlığı
a ≥ a min | ÇYTHYEDY 13.3.7 |
|
|
a | 8 mm |
| √ |
a min | 4 mm | Tablo 13.4 | √ |
Süreklilik Levhası - Kolon Gövdesi Kaynak Kalınlığı
a ≥ a min | ÇYTHYEDY 13.3.7 |
|
|
a | 8 mm |
| √ |
a min | 4 mm | Tablo 13.4 | √ |
Birleşim Detayı Uygulama Sınırları (TBDY Tablo 9B.2)
Kiriş açıklığı/Kiriş enkesit yüksekliği | 9144 mm /550 mm=16.63 | ≥9.0 |
Kiriş enkesit yüksekliği, db | 550 mm | ≤ 920 |
Kiriş başlık kalınlığı, tbf | 17.2 mm | ≤25 |
Kolon enkesit yüksekliği | 650 mm | ≤ 920 mm |
Bulon sınıfı | 8.8 | 8.8 - 10.9 |
Bulon boyutu | M27 | ≤ M27 |
Başlık levha malzemesinin min akma gerilmesi | 275 MPa | 235 /275 / 355 MPa |
Başlık levhası kaynağı | CJP | CJP |
DAYANIM KONTROLLERİ
Bulon çapı
bf | 210 mm | Tablo 9B.3 |
Ry | 1.40 | |
Fy | 235.359 N/mm2 | |
Rt | 1.10 | |
Fu | 362.846 N/mm2 | |
db | ![]() | |
db | ![]() |
Gereken | Hazır | Oran | Kontrol |
|---|---|---|---|
15.32 mm | 27 mm | 0.567 | √ |
Başlık Bulonda Kayma
Ab | ![]() |
Fn | ![]() |
Rn | ![]() |
ΦRn | ![]() |
Gereken | Hazır | Oran | Kontrol |
|---|---|---|---|
1628.396 kN | 1855.079 kN | 0.878 | √ |
Başlık Levhası Bulon Deliğinde Ezilme
dh | 27+3=30 mm |
|
Lc,edge | ![]() |
|
Rn | ![]() | ÇYTHYEDY 13.3.13 Denklem 13.14a ve13.14b |
Rn-edge | ![]() |
|
Lc,spacing | ![]() |
|
Rn-spacing | ![]() |
|
Rn | ![]() |
|
ΦRn | ![]() |
|
Gereken | Hazır | Oran | Kontrol |
|---|---|---|---|
1628.396 kN | 5866.214 kN | 0.278 | √ |
Kiriş Başlığı Bulon Deliğinde Ezilme
dh | 27+3=30 mm |
|
Lc,edge | ![]() |
|
Rn | ![]() | ÇYTHYEDY 13.3.13 Denklem 13.14a ve13.14b |
Rn-edge | ![]() |
|
Lc,spacing | ![]() |
|
Rn-spacing | ![]() |
|
Rn | ![]() |
|
ΦRn | ![]() |
|
Gereken | Hazır | Oran | Kontrol |
|---|---|---|---|
1628.396 kN | 279.455 kN | 0.584 | √ |
Başlık Levhası Çekme Akması
Ag | ![]() |
|
Fy | 275 N/mm2 |
|
Rn | ![]() | ÇYTHYEDY 13.15 |
ΦRn | ![]() |
|
Gereken | Hazır | Oran | Kontrol |
|---|---|---|---|
1628.396 kN | 1848 kN | 0.881 | √ |
Başlık Levhası Çekme Kırılması
An | ![]() |
|
Ae | ![]() | |
Fu | 410 N/mm2 |
|
U | 1.00 | |
Rn | ![]() | ÇYTHYEDY 13.16 |
ΦRn | ![]() |
|
Gereken | Hazır | Oran | Kontrol |
|---|---|---|---|
1628.396 kN | 1723.968 kN | 0.945 | √ |
Başlık Levhasında Blok Kayma
Ag | ![]() |
|
Anv | ![]() |
|
Ant | ![]() |
|
Fy | 275 N/mm2 |
|
Fu | 410 N/mm2 |
|
Ubs | 1 |
|
| ![]() |
|
Rn | ![]() | ÇYTHYEDY 13.19 |
ΦRn | ![]() |
|
Gereken | Hazır | Oran | Kontrol |
|---|---|---|---|
1628.396 kN | 3636.864 kN | 0.448 | √ |
Kiriş Başlığında Blok Kayma
Ag | ![]() |
|
Anv | ![]() |
|
Ant | ![]() |
|
Fy | 235.359 N/mm2 |
|
Fu | 362.846 N/mm2 |
|
Ubs | 1 |
|
| ![]() |
|
Rn | ![]() | ÇYTHYEDY 13.19 |
ΦRn | ![]() |
|
Gereken | Hazır | Oran | Kontrol |
|---|---|---|---|
1628.396 kN | 1729.992 kN | 0.941 | √ |
Gövde Bulonunda Kayma
Ab | ![]() |
Fn | ![]() |
Rn | ![]() |
ΦRn | ![]() |
Gereken | Hazır | Oran | Kontrol |
|---|---|---|---|
89.994 kN | 146.574 kN | 0.614 | √ |
Kiriş Gövdesi Bulon Deliğinde Ezilme
dh | 24+2=26 mm |
|
Rn | ![]() | ÇYTHYEDY 13.3.13 Denklem 13.14a ve13.14b |
Lc,spacing | ![]() |
|
Rn-spacing | ![]() |
|
Rn | ![]() |
|
ΦRn | ![]() |
|
Gereken | Hazır | Oran | Kontrol |
|---|---|---|---|
246.43 kN | 1000.454 kN | 0.246 | √ |
Gövde Levhası Bulon Deliğinde Ezilme
dh | 24+2=26 mm |
|
Lc,edge | ![]() |
|
Rn | ![]() | ÇYTHYEDY 13.3.13 Denklem 13.14a ve13.14b |
Rn-edge | ![]() |
|
Lc,spacing | ![]() |
|
Rn-spacing | ![]() |
|
Rn | ![]() |
|
ΦRn | ![]() |
|
Gereken | Hazır | Oran | Kontrol |
|---|---|---|---|
246.43 kN | 1227.442 kN | 0.201 | √ |
Gövde Levhası Kayma Akması
Ag | ![]() |
|
Fy | 275 N/mm2 |
|
Rn | ![]() | ÇYTHYEDY 13.17 |
ΦRn | ![]() |
|
Gereken | Hazır | Oran | Kontrol |
|---|---|---|---|
246.43 kN | 807.84 kN | 0.305 | √ |
Gövde Levhası Kayma Kırılması
Anv | ![]() |
|
Fu | 410 N/mm2 |
|
Rn | ![]() | ÇYTHYEDY 13.17 |
ΦRn | ![]() |
|
Gereken | Hazır | Oran | Kontrol |
|---|---|---|---|
246.43 kN | 712.022 kN | 0.346 | √ |
Kiriş Kayma Kırılması
Anv | ![]() |
|
Fu | 410 N/mm2 |
|
Rn | ![]() | ÇYTHYEDY 13.17 |
ΦRn | ![]() |
|
Gereken | Hazır | Oran | Kontrol |
|---|---|---|---|
246.43 kN | 891.709 kN | 0.276 | √ |
Gövde Levhasında Blok Kayma
Ag | ![]() |
|
Anv | ![]() |
|
Ant | ![]() |
|
Fy | 275 N/mm2 |
|
Fu | 410 N/mm2 |
|
Ubs | 1 |
|
| ![]() |
|
Rn | ![]() | ÇYTHYEDY 13.19 |
ΦRn | ![]() |
|
Gereken | Hazır | Oran | Kontrol |
|---|---|---|---|
246.43 kN | 926.338 kN | 0.266 | √ |
Gövde Levhası Eğilme Akması
dp | 408 mm |
|
Fy | 275 N/mm2 |
|
tp | 12 mm |
|
a | 110 mm |
|
Rn | ![]() |
|
ΦRn | ![]() |
|
Gereken | Hazır | Oran | Kontrol |
|---|---|---|---|
246.43 kN | 728.794 kN | 0.338 | √ |
Kayma Levhası Kolon Başlığı Kaynak Dayanımı
w | 11.315 mm |
|
FE | 490 N/mm2 |
|
l | 408 mm |
|
e | 110 mm |
|
Rn | ![]() |
|
ΦRn | ![]() |
|
Gereken | Hazır | Oran | Kontrol |
|---|---|---|---|
246.43 kN | 1152.2 kN | 0.214 | √ |
Kolon Panel Bölgesi Kayması
Pr | 429.124 kN | ÇYTHYEDY 13.29a |
Py | ![]() |
|
Fy | 275000 kN/m2 |
|
Ag | 28634.759 mm2 |
|
dc | 650 mm |
|
tw | 16 mm |
|
Rn | ![]() |
|
ΦRn | ![]() |
|
Gereken | Hazır | Oran | Kontrol |
|---|---|---|---|
1379.649 kN | 1716 kN | 0.804 | √ |
Kayma Bölgesi Kalınlığı
tmin≥u/180 | ![]() | TBDY 2018 9.3.4.2b |
tmin=tw | 16 mm |
|
tw | 16 mm |
|
u | 2207.2 mm |
|
Gereken | Hazır | Oran | Kontrol |
|---|---|---|---|
12.262 mm | 16 mm | 0.766 | √ |








































































