R Aşık Ayarları
R Aşık Ayarları komutu ile kesit, açı, kot, yerleşim, parça sayısı, materyal, çizim gibi ayarlara ulaşılır.
R Aşık Ayarları Komutunun Yeri
R aşık komutu çalıştırıldıktan sonra ekrana gelen Çelik Aşık yardımcı toolbarında bulunmaktadır.

Genel Ayarlar Sekmesi

Özellikler |
|---|
Obje adı ![]() R aşığın planda, çizimde ve raporda görünecek adıdır. |
Renk ![]() Aşığın rengidir. Farenin sol tuşu ile tıklanıp tuş basılı tutularak açılan renk paleti üzerinde kaydırılır. İstenen rengin üzerine gelindiğinde tuş bırakılır. Renk kutucuğu seçilen renge dönüşür. Shift tuşu ile birlikte tıklanırsa, ilgili rengin kalem kalınlığı ayarlanabilir. |
Materyal ![]() Katı modelde üzerine kaplanacak materyal seçilebilir. Eleman seçilen materyal ile kaplanır ve katı modelde bu şekilde görüntülenir. Farenin sol tuşu ile aşağı ok butonu üzerine tıklanır. Açılan materyal listesinden uygun materyal seçilir. |
Gerçek Doku Uzunluğu ![]() Doku uzunluğu girilir. Örneğin; 1 metre girilirse seçilen materyal dokusu genişliği 1 metre olarak alınır ve seçilen obje üzerine kaplanır. Dokunun kare şeklinde olduğu düşünülürse obje yüzeyleri 1x1 ebadında dokular yan yana dizilerek kaplanır. |
Ad yazısı - Boyut X/Boyut Y ![]() Aşık boyutu yazısının X ve Y koordinatları girilir. Boyut X değeri pozitif girilirse yazı kenardan sola doğru, negatif girilirse sağa doğru kayar. Yazı Y değeri pozitif olursa yazı yukarıya, negatif olursa aşağıya kayar. Burada belirtilen yönler bakış yönüne göre düşünülmelidir. |
Ad yazısı - Yükseklik ![]() Boyut yazısı yüksekliği girilir. |
Ad yazısı - Renk ![]() Boyut yazı yüksekliğinin rengidir. Farenin sol tuşu ile tıklanıp tuş basılı tutularak açılan renk paleti üzerinde kaydırılır. İstenen rengin üzerine gelindiğinde tuş bırakılır. Renk kutucuğu seçilen renge dönüşür. Shift tuşu ile birlikte tıklanırsa, ilgili rengin kalem kalınlığı ayarlanabilir. |
Ad yazısı - Yazı tipi ![]() Boyut yazısını yazı tipi, tıklandığında açılan diyalogdan seçilir. |
Statik Sekmesi

Özellikler |
|---|
Materyal ![]() R aşık için materyal seçilir. |
Kesit listesi ![]() R aşık için kullanılacak profilin seçildiği listedir. Üst başlık, birleşim, alt ve yan başlıklar için ayrı ayrı kesit seçimleri yapılabilir. Listede daha önce, profil kütüphanesinden eklenen çelik profiller bulunmaktadır. |
Kesit yükle ![]() Yeni profil eklemek için Kesit Yükle ikonu tıklanır. Tıklandığında çelik profil kütüphanesinin ekrana gelir. Listeden kullanılmak istenen profil seçilir. |
Dönüş ![]() 0, 90, 180, 270 olarak seçilen bir değere göre profil kendi ekseni etrafında döndürülerek oluşturulur. |
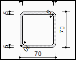
Şematik çizim ![]() Seçilen kesitin şematik çizimi ve ölçüleri gösterilir. |
R Aşık Geometrisi Sekmesi

Özellikler |
|---|
Alt yükseklik ![]() Alt yükseklik mesafesi girilir. |
Parça Sayısı ![]() R aşık parça sayısı belirlenir. |
Parça Başlangıç/Bitiş ![]() Parçaların başlangıca ve bitişe olan mesafesi belirlenir. |
Düşey çaprazları oluştur ![]() Seçenek işaretlenirse düşey çaprazlar oluşturulur. |
Yerleşim Sekmesi

Özellikler |
|---|
Sayı bazlı ![]() R aşıklar sayı girilerek çizilebilir. |
Aralık 1/Aralık 2 ![]() R aşıklar arasındaki mesafeyi gösterir. |
Aralık bazlı ![]() R aşıklar arası mesafe girilerek çelik aşıklar çizilebilir. |
Adet ![]() R aşık sayısını gösterir. |
Son aralığa eleman ekle ![]() Seçilmesi halinde son aralığa R aşık ekler. |
İlk elemanı kaldır/Son elemanı kaldır ![]() İlk ve son R aşık genelde eleman üzerine denk geldiğinden, bu durumu ortadan kaldırmak için kullanabilecek seçeneklerdir. İşaretlenirse baştan ve sondan bulunan R aşıklar çizilmezler. |
İlk elemanı ortadan hizala/Son elemanı ortadan hizala ![]() İlk ve sondaki elemanları yerleştirirken elemanın orta noktasına göre hizalama yapılır. İlk elemanı kaldır/Son elemanı kaldır seçenekleri aktif hale geldiğinde bu seçenekler inaktif hale gelir. |
Ofsetler ![]() R aşıkların başlangıca ve sona olan uzaklıkları girilebilir. İlk/ikinci ana parçaya dik seçeneklerinin işaretlenmesi halinde ana kirişlerden birine diklik koşulu sabit tutularak ofset mesafeleri ayarlanabilir. Bağımsız seçeneğinin işaretlenmesi halinde ofset mesafeleri ana kiriş parçalarından bağımsız olarak düzenlenebilir. |
Uzatmalar Sekmesi

Özellikler |
|---|
Üstte başlık üstü ![]() R aşıkların modellendiği ana elemanların üst başlığının üstüne oturacak şekilde modellenmesini sağlar. |
Üstte başlık altı ![]() R aşıkların üst başlığı ile ana elemanların üst başlığı ile aynı hizaya gelecek şekilde modellenmesini sağlar. |
Tam orta ![]() R aşıkların orta noktası ile ana elemanların ortası aynı hizaya gelecek şekilde modellenmesini sağlar. |
Dikey öteleme ![]() Kutucuğa girilen mesafe ana eleman üst başlığı altından R aşığın modellenmesini sağlar. |
Uzatmalar ![]() R aşıkların ana elemandan itibaren ne kadar uzatılacağını belirler. |
İç mesafe ![]() Üstte başlık üstü opsiyonu kullanılması halinde R aşıkların ana elemana temas ettiği noktada iki R aşık ucu arasındaki mesafe girilmelidir. |
Tasarım Sekmesi

Detaylı bilgiye Aşık Tasarım Ayarları başlığından ulaşabilirsiniz.
Sonraki Konu






























