Petek kiriş dayanımı sağlamıyor
Bu mesaj rapor başında eleman adı ve katı verilerek oluşturulmaktadır.
Örneğin,
SB001 ZEMİN KAT Petek kiriş dayanımı sağlanmıyor.
Çelik petek kirişlerin dayanımı aşağıda belirtilen koşullara göre hesaplanır.

Eksenel kuvvet ve iki eksenli eğilme etkileşimi: Petek kirişin dolu gövdeli kısmında eksenel kuvvet ve iki eksenli eğilme dayanımı hesaplanır.
Brüt alan ve net alanda kesme dayanımı değerleri: Brüt alanda kayma, petek kirişin dolu gövdeli bölümü; net alanda kayma petek kirişin boşluklu bölümü dikkate alarak hesaplanır. Aşağıda gösterilen şekilde brüt ve net kayma alanları hesaplanarak bu bölümlerdeki kesme kuvveti ile karşılaştırılır.

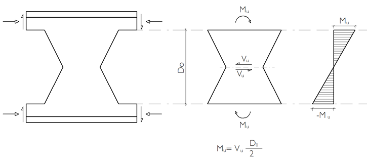
Yatay kesme kontrolü: Petek kiriş gövdesine gelen kesme kuvveti denge denklemi kullanılarak hesaplanır ve kayma dayanımı hesaplanarak karşılaştırılır.

Gövde burkulması kontrolü: Petek kiriş boşluklarının arasında kalan dolu gövdeli bölümün üst ve alt sınırına gelen eğilme momenti değerleri bulunur ve dikdörtgen kesite göre yanal burulma burkulması kontrolü yapılır.

Vierendeel eğilme kontrolü: Petek kiriş boşluğunun üzerinde bulunan T kesite gelen etkiler denge denklemleri yardımı ile bulunur. Bu T kesitin iki eksenli eğilme ve eksenel kuvvet etkisi altında etkileşimi hesaplanarak bu kontrol yapılır.

Olası Çözümler:
Vierendeel kontrolü
Adı ve katı verilen elemanın “Baştan dolu petek sayısı” ve “Sondan dolu petek sayısı” artırılabilir. Bu teknik vierendeel kontrolü için ilk tercih edilen çözümlerden biridir. Çelik kiriş ayarları penceresinin “Genel Ayarlar” sekmesinden bu işlem gerçekleştirilebilir.

Adı ve katı verilen elemanın en kesit boyutları büyütülebilir.
Eksenel Kuvvet ve İki Eksenli Eğilme Etkisi
Adı ve katı verilen elemana çatı çaprazları ve stabilite elemanları bağlanarak yanal tutululuk boyu küçültülebilir. Yanal tutululuk boyu küçülen elemanların eğilme kapasitesi artar.
Adı ve katı verilen elemanın en kesit boyutları büyütülebilir.
Brüt ve Net Alanda Kayma Kontrolü
Adı ve katı verilen elemanın en kesit boyutları büyütülebilir. Gövde alanı daha büyük bir kesit seçilebilir.
Yatay kesme kontrolü
Adı ve katı verilen elemanın en kesit boyutları büyütülebilir.
Gövde burkulması kontrolü
Adı ve katı verilen elemanın en kesit boyutları büyütülebilir.
Sonraki Konu