Yağmur İniş Borusu Ayarları
Yağmur İniş Borusu Ayarları komutuyla boru boyutları, kesiti, materyal ve bağlayıcı gibi ayarlara ulaşılır.
Yağmur İniş Borusu Ayarları Komutunun Yeri
Ribbon menü Giriş sekmesi Çatı başlığı altından ulaşabilirsiniz.

Genel Ayarlar Sekmesi

Özellikler |
|---|
Gövde ![]() Yağmur iniş borusu elemanının düşey boyuttaki ölçülerinin girildiği sekmedir. Kelepçe, düşeyde birleşen boruların birbirlerine kelepçelenmesini sağlar. |
Kesitler ![]() Yağmur iniş borusunun kesitinin seçildiği sekmedir. Genişlik ve yükseklik kısmı kullanılan yağmur iniş borusunun ölçüsünü belirtmek için kullanılır. Kalınlık ise kullanılan yağmur iniş borusunun et kalınlığını ifade etmektedir. |
Boru parametreleri ![]() Yağmur iniş borusunun yüzeylerine ait materyalini (dokusunu) açılan listeden seçin. Gerçek doku uzunluğuna kullanılan materyalin doku uzunluğu girilir. Örneğin; 1 girilirse seçilen materyal dokusu genişliği 1 birim olarak alınır ve ilgili obje üzerine kaplanır. Yağmur iniş borusunun rengini tıklandığında açılan diyalogdan seçin. Yağmur iniş borusu girilen kat tabanına göre girilen kot kadar yükseklikte çizilir. |
Kelepçe parametreleri ![]() Yağmur iniş borusunda kullanılan kelepçelerin yüzeylerine ait materyalini (dokusunu) açılan listeden seçin. Gerçek doku uzunluğuna kullanılan materyalin doku uzunluğu girilir. Örneğin; 1 girilirse seçilen materyal dokusu genişliği 1 birim olarak alınır ve ilgili obje üzerine kaplanır. Yağmur iniş borusunda kullanılan kelepçelerin rengini tıklandığında açılan diyalogdan seçin. |
Boru dış kenar seçimi ![]() Yağmur iniş borusu ile yağmur oluğu arasında bağlantı elemanının yönünün belirlendiği sekmedir. Bu kısımda belirli yönler belirtildiği gibi açı değeri verilerek de bu yön belirlenebilir. |
Bağlayıcılar Sekmesi

Özellikler |
Boru görüntüsü ![]() Bağlantı yapılacak borunun tüm bağlantı yönlerini güncelle sekmesinden seçilerek borunun görüntüsünün oluştuğu sekmedir. |
Ekle ![]() Tıklandığında yeni bir bağlayıcı ekler |
Sil ![]() Tıklandığında tablodan seçilen bağlayıcıyı siler. |
Tüm bağlayıcıların yönlerini güncelle ![]() Bütün bağlayıcıların yönü için sol, sağ ve ikisi birden seçeneklerinden biri seçilir |
Bağlayıcı tablosu ![]() Kot ve yön değerleri verilir. İstenilen kot değeri verilip yön seçilebilir. |
Kesitler ![]() Bağlayıcı boruların kesitinin seçildiği sekmedir. Manuel olarak ölçüler girildiği gibi, ana boru ile aynı kesiti kullan seçimi ile yağmur iniş borusu baz alınır. Ölçek kısmına değer girildiğinde yağmur iniş borusu baz alınır ve buna göre bağlayıcı borular oluşur. |
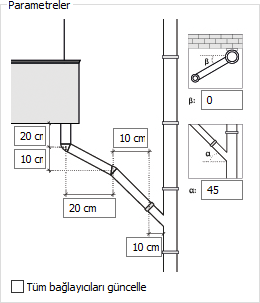
Parametreler ![]() Bağlayıcı borulara şematik çizimde gösterilen bölümler için uzunluk değerleri girilir. |
Sonraki Konu











