T Levhalı Kayma Birleşimi Tanımlama
T Levhalı Kayma Birleşimi komutu ile kiriş-kiriş birleşimi tanımlanır.

T Levhalı Kayma Birleşimi Komutunun Yeri
Ribbon menü Birleşim sekmesi Birleşim başlığı altından ulaşabilirsiniz.

İşlem Adımları
Hızlı Çizim Modu Açık
Çelik menüsünden T Levhalı Kayma Birleşimi satırını tıklayın.
3 Boyutlu perspektif görüntüde fare imlecini ilgili elemanın üzerine, mesnete yakın bir bölgeye yaklaştırın
Bu işlemden sonra birleşimin sanal görüntüsü belirecektir.
Birleşim uygun ise farenin sol tuşunu tıklayarak birleşimi oluşturun.
Birleşim varsayılan ayarlarla oluşacaktır.
Hızlı Çizim Modu Kapalı
Çelik menüsünden T Levhalı Kayma Birleşimi satırını tıklayın.
3 Boyutlu perspektif görüntüden önce kolonu sonra kirişi tıklayın.
Tek köşebentli birleşim ayarları diyaloğu açılacaktır.
İstenilen ayarlar yapılıp Tamam butonu tıklandığında birleşim oluşacaktır.
T Levhalı Kayma Birleşimi Ayarları Diyaloğunun Yeri
Hızlı çizim modu kapalı ise birleşim ayarları otomatik açılacaktır.
Hızlı çizim modu açık ise oluşan birleşim seçilip farenin sağ tuşuna tıklayın. Açılan sağ tuş menüden Özellikler satırını tıklayın.

T Levhalı Kayma Birleşimi Ayarları Diyaloğu
Tip Sekmesi

Özellikler |
|---|
Levhalar ![]() Levhanın kiriş gövdesinin solunda mı sağında mı olacağı seçilir. |
Şematik çizim ![]() Birleşim şematik çizim üzerinde gösterilir. |
Öngörüntü ![]() Birleşimin öngörüntüsü yer alır. Yapılan seçim ve girilen değerler öngörüntü de eşzamanlı olarak takip edilebilir. |
Levhalar Sekmesi

Özellikler |
|---|
T levha ![]() Levhanın özellikleri değerler girilerek belirlenir. Girilecek değerler şematik çizimde gösterilmektedir. |
Şematik çizim ![]() Birleşim ve levha değerleri şematik çizim üzerinde gösterilir. |
Öngörüntü ![]() Birleşimin öngörüntüsü yer alır. Yapılan seçim ve girilen değerler öngörüntü de eşzamanlı olarak takip edilebilir. |
Üst ve Alt Kertme Sekmeleri

Özellikler |
|---|
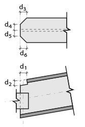
Kertme ![]() Seçenek işaretlenirse girilen değerlere ve seçimlere göre kertme yapılır. Girilecek değerler şematik çizimde gösterilmektedir. |
Sol başlık kesimi ![]() Seçenek işaretlenirse girilen değerlere göre sol başlık kesimi yapılır. Girilecek değerler şematik çizimde gösterilmektedir. |
Sağ başlık kesimi ![]() Seçenek işaretlenirse girilen değerlere göre sağ başlık kesimi yapılır. Girilecek değerler şematik çizimde gösterilmektedir. |
Şematik çizim ![]() Birleşim, kertme ve kesim değerleri şematik çizim üzerinde gösterilir. |
Öngörüntü ![]() Birleşimin öngörüntüsü yer alır. Yapılan seçim ve girilen değerler öngörüntü de eşzamanlı olarak takip edilebilir. |
Kaynaklar Sekmesi
Kaynaklar sekmesinde şematik gösterimde verilen birleşim yerlerinin kaynak özellikleri ayarlanır.

Özellikler |
|---|
Kaynaklar ![]() Birleşim yerlerine yapılacak kaynakların kalınlık, tip ve açı değerleri verilir. Şantiyede yapılıp yapılmayacağı bilgisi girilir. |
Kaynak elektrodu ![]() Tasarım girdilerinde kaynak elektrotlarının dayanımları tanımlanır. Kaynak birleşiminde yer alan ana eleman dayanımı, kaynak dayanımından daha az dayanıma sahip olması koşulu kontrol edilir. Kaynak elektrodu oluşturmak için "Yeni Oluştur" tıkladıktan sonra açılan diyalogda "Ad" ve "Dayanım" bilgilerini verin. Kaynak geometrisi program tarafından otomatik belirlenir. Birleşim özelliklerini kolayca belirlemek için bu özellikler değiştirilebilir. Geometri özellikleri endüstri standartlarına uygun ve AISC’ de belirtildiği formdadır. ![]() |
Şematik çizim ![]() Birleşim ve kaynak değerleri şematik çizim üzerinde gösterilir. |
Öngörüntü ![]() Birleşimin öngörüntüsü yer alır. Yapılan seçim ve girilen değerler öngörüntü de eşzamanlı olarak takip edilebilir. |
Kesimler Sekmesi

Özellikler |
|---|
Kesim (c1) ![]() Levhaların sahada kolay montajı için şev kullanılmasına, şev tipine ve geometrik özellikleri değer girilerek belirlenir. |
Kesim (c2) ![]() Levhaların sahada kolay montajı için şev kullanılmasına, şev tipine ve geometrik özellikleri değer girilerek belirlenir. |
Şematik çizim ![]() Birleşim, kertme ve kesim değerleri şematik çizim üzerinde gösterilir. |
Öngörüntü ![]() Birleşimin öngörüntüsü yer alır. Yapılan seçim ve girilen değerler öngörüntü de eşzamanlı olarak takip edilebilir. |
Kiriş Bulonları Sekmesi

Özellikler |
|---|
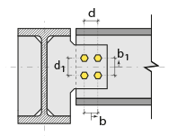
Yatay yerleşim ![]() Kiriş bulonlarının yatay yerleşim ayarları (yatay bulon sütun sayısı, uzaklık değerleri..) girilir. Girilecek değerler şematik çizimde gösterilmektedir. |
Grup 1 ![]() Kiriş bulonları ayarları (satır sayısı, uzaklık değerleri..) girilir. Girilecek değerler şematik çizimde gösterilmektedir. |
Bulon özellikleri ![]() Bulon özellikleri butonu tıklanarak Delik ve Bulon Paramatreleri diyaloğu açılır. Bulon özellikleri bu diyalogdan ayarlanır. |
Şematik çizim ![]() Birleşim ve bulon yerleşim değerleri şematik çizim üzerinde gösterilir. |
Öngörüntü ![]() Birleşimin öngörüntüsü yer alır. Yapılan seçim ve girilen değerler öngörüntü de eşzamanlı olarak takip edilebilir. |
Tasarım Girdileri Sekmesi

Tasarım girdilerinde levha malzemesi tanımlanır.

Gerekirse listeyi tıklayıp "yeni levha malzemesi" tanımlayın. Levha malzemesi oluşturmak için "Yeni Oluştur" tıkladıktan sonra açılan diyalogda "Malzeme tanımı" ve "Malzeme değerleri" bilgilerini verin.
Sonraki Konu




















