Zımbalama TS 500
Betonarme kolonlarda ve perde uçlarında, kirişsiz döşemeler ve radye temeller için zımbalama hesabı TS 500 ve TBDY 2018 'de verilen varsayımlar esas alınarak yapılır. TS 500 'de verilen kuralların farklı olduğu özel durumlar için TBDY 2018 esas alınır. Zımbama çevresi hesabı TS 500 de belirtilen koşullara göre yapılır.
Dikdörtgen, yuvarlak ve poligon kolonlar ile perde uçlarında zımbalama çevresi, döşeme boşlukları da gözönüne alınarak TS 500 'e uygun biçimde otomatik hesaplanır.
Kirişsiz döşemelerde ve kirişsiz plak temellerde düşey yüklerle beraber D katsayısı ile arttırılmış deprem etkilerine bağlı olarak zımbalama gerilmeleri ile zımbalama dayanımları otomatik hesaplanır.
Zımbalama donatısı ve kolon başlığı seçenekleri kullanıcı inisiyatifindedir.
Kolon başlığı kullanıldığında zımbalama gerilmeleri ile zımbalama dayanımları uygun şekilde otomatik hesaplanır.
Zımbalama donatısının düzgün yayılı yerleştirilmiş çiroz veya sehpa donatıları kullanıldığı ya da birbirine dik iki doğrultuda kapalı etriye şeritleri veya kayma kaması rayları kullanıldığı durumlara göre zımbalama gerilmeleri otomatik hesaplanır.
Kirişsiz plak sistemlerdeki döşeme-kolon birleşiminin üst ve altındaki kolon kesitlerindeki eğilme momentlerini dengeleyen momentleri gözönüne alınır ve dengelenmiş moment katsayısı γf otomatik hesaplanır.
Zımbalama alanını (Az) oluşturan yüzeylerin kuvvetli ve zayıf ekseninde polar atalet ve ikinci momentlerinin toplamı değerleri her türden kolon geometrisine uygun olacak şekilde otomatik hesaplanır.
Simgeler
Awp = Zımbalama çevresi üzerinde bulunan düşey zımbalama donatılarının toplam kesit alanı
Az = Zımbalama alanı
b1 = Yükleme doğrultusundaki zımbalama çevresi boyu
b2 = Yüklemeye dik doğrultudaki zımbalama çevresi boyu
c(maj) = Zımbalama alanının kuvvetli eksen etrafındaki moment yönünde hesaplanan ağırlık merkezi
c(min) = Zımbalama alanının zayıf eksen etrafındaki moment yönünde hesaplanan ağırlık merkezi
c'(maj) = Zımbalama alanının kuvvetli eksen etrafındaki momentin ters yönünde hesaplanan ağırlık merkezi
c'(min) = Zımbalama alanının zayıf eksen etrafındaki momentin ters yönünde hesaplanan ağırlık merkezi
d = Döşeme faydalı yüksekliği
D = Dayanım Fazlalığı Katsayısı
ex, ey = “x” ve “y” doğrultularındaki dışmerkezlikler
fctd = Betonun tasarım çekme dayanımı
J(maj) = Zımbalama alanını (Az) oluşturan yüzeylerin kuvvetli ekseni etrafındaki polar atalet ve ikinci momentlerinin toplamı
J(min) = Zımbalama alanını (Az) oluşturan yüzeylerin zayıf ekseni etrafındaki polar atalet ve ikinci momentlerinin toplamı
Md(maj) = Kolonun kuvvetli ekseninde, düşey yükler ve deprem yüklerinin ortak etkisi altında hesaplanan ve döşeme zımbalama hesabına esas tasarım momenti
Md(min) = Kolonun zayıf ekseninde, düşey yükler ve deprem yüklerinin ortak etkisi altında hesaplanan ve döşeme zımbalama hesabına esas tasarım momenti
up = Zımbalama çevresi
Vd, Vpd = Zımbalama hesabına esas kesme kuvveti
Vpr = TS 500 içerisinde anlatılan zımbalama dayanımı
τpd,1 = Tasarıma esas zımbalama gerilmesi
τpd,2 = Tasarıma esas zımbalama gerilmesi
γ = Çatlama dayanımına eksenel kuvvet etkisini yansıtan katsayı
γv = Zımbalama hesabında kesme etkisini yansıtan katsayı
γf = Zımbalama hesabında eğilme etkisini yansıtan katsayı
ρ = Birim alanda bulunan zımbalama donatısının kesit alanı
Betonarme kolonlarda ve perde uçlarında, kirişsiz döşemeler ve radye temeller için zımbalama hesabı TS 500 ve TBDY 2018 'de verilen varsayımlar esas alınarak yapılır. TS 500 'de verilen kuralların farklı olduğu özel durumlar için TBDY 2018 esas alınır. Zımbama dayanımı ve zımbama için gereken düzlem dışı kayma gerilmesi hesabında TBDY 2018 esas alınır. Betonarme tekil temeller için TS 500 'de belirtilen koşullar kullanılır.
Bu başlık altında TS 500 Zımbalama kontrolü başta olmak üzere TBDY 2018 'de belirtilen zımbalama hesabı da anlatılacaktır.
TS 500 Zımbama Dayanımı
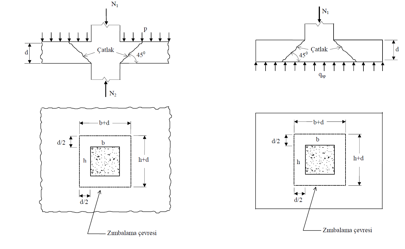
TS 500 Madde 8.3.1 'de belirtildiği üzere Sınırlı bir alana yayılmış yükler veya kolonlar tarafından yerel olarak yüklenen plakların zımbalama dayanımı hesaplanarak bunun tasarım zımbalama kuvvetine eşit veya ondan büyük olduğu kanıtlanacaktır.
Zımbalama dayanımının hesabında, yüklenen alana d/2 uzaklıkta zımbalama çevresi ile belirlenen kesit alanı gözönüne alınır, TS 500 Şekil 8.2

Tasarım zımbalama kuvveti, zımbalama çevresi ile sınırlanan plak bölümüne etkiyen ve plak düzlemine dik kuvvetlerin cebirsel toplamıdır, TS 500 Şekil 8.2. Şekilde gösterilen Fa, zımbalama çevresi içinde kalan plak yüklerinin toplamıdır (döşemeler için döşeme yükü, temeller için zemin gerilmelerinin toplamı).
Zımbalama dayanımı Vpr , aşağıdaki bağıntıdan hesaplanmalıdır.
ÖNEMLİ NOT: Radye temel ve kirişsiz döşemelerin zımbama hesaplarında, zımbalama dayanımı ve zımbalama gerilmeleri TBDY 2018 kullanılarak hesaplanır.
Burada γ, eğilme etkisini yansıtan bir katsayıdır. Plağa aktarılan dengelenmemiş kolon momenti etkisinin daha güvenilir yöntemlerle hesaplanmadığı durumlarda, eğilme etkisi aşağıdaki γ katsayılarıyla hesaba katılmalıdır.
Eksenel Yükleme Durumunda, γ = 1.0
Dışmerkezli yükleme durumunda
TS 500 Denklem 8.23, yalnızca b2 ≥ 0,7b1 durumu için geçerlidir.
Plak kenarında veya köşesinde olmayan dikdörtgen veya dairesel yük alanları (veya kolonlar) için γ daha basit olarak ifade edilebilir.
Dikdörtgen yük alanları veya kolonlar için
Dairesel yük alanları veya kolonlar için
TS 500 Denklem 8.22, 8.24 ve 8.25 deki dışmerkezlikler hesaplanırken, eğilme düzleminde kolonun iki yanındaki plak momentleri toplamının %40 ı ve alt ve üst kolonlardaki eksenel yüklerin farkı temel alınmalıdır. Dışmerkezliğin hesabı, TS 500 Şekil 8.3 de gösterilmiştir.

Zımbalama Donatısı TS 500
TS 500 Madde 8.3.2 'de belirtildiği üzere Denklem 8.21 ile belirlenen zımbalama dayanımı, geçerliliği deneylerle kanıtlanmış donatı veya profil düzenlemeleri veya özel çelik elemanlarla artırılabilir. Ancak, zımbalama donatısının etkili olabilmesi için, plak kalınlığının en az 250 mm olması gerekir. Ayrıca, bu düzenlemelerle arttırılmış dayanım hiçbir zaman Denklem 8.21 ile belirlenen değerin 1.5 katını aşamaz.
ÖNEMLİ NOT: Zımbalama donatılarının dayanım ve tasarım kuvvetleri TBDY 2018 ile belirtilen koşullara göre yapılmaktadır.
Zımbalama Çevresi
TS500 Bölüm 8.3.1 'de belirtildiği üzere;
Yüklenen alan kenarında “5d” veya daha yakın uzaklıkta olan boşluklar, zımbalama çevresi hesaplanırken dikkate alınır. Boşluklar nedeni ile zımbalama çevresinde, up, yapılacak azaltma, yüklenen alan ağırlık merkezinden, döşeme boşluğu kenarına teğet çizilecek radyal doğruların içinde kalan çevre uzunluğu dikkate alınmayarak gerçekleştirilmelidir, TS 500 Şekil 8.4a.
Yüklenen alan boyutları oranının 3,0 den fazla olduğu durumlarda h=3b varsayımı ile hesaplanacak çevre
kullanılmalıdır, TS 500 Şekil 8.4b. Bu durum perde veya grup perde uçlarında da dikkate alınmaktadır.
Yükleme alanı çevresinin içbükey olduğu durumlarda (poligon kolonlarda), teğetler ile içbükeyliğin giderilmesinden sonra elde edilen çevre, hesaplarda zımbalama çevresi olarak kullanılmalıdır, TS 500 Şekil 8.4c.

Eğer birden fazla kritik kesit söz konusu ise (örneğin, kolon başında tabla bulunuyorsa), her bir kritik kesit ayrı ayrı değerlendirilip en elverişsiz olanı göz önüne alınmalıdır.
Zımbama çevresi (up) , kolon yüzeylerinden d/2 uzaklıktaki çevredir ve zımbalama dayanımı hesabında bu çevre kullanılmaktadır. Döşemenin faydalı yüksekliğini ifade eden d, döşeme kalınlığından döşemenin paspayının çıkartılması ile elde edilir. Örnek kare bir kolonda zımbalama çevresi döşeme ve plak temellerde aşağıdaki gibi alınmaktadır.

Değişik durumlardaki zımbalama çevresi için TS500 Şekil 8.4 dikkate alınmaktadır. Kolon yüzeyinden d/2 mesafede bir döşeme boşluğu var ise bu boşluk zımbalama çevresinden çıkartılır. Aşağıdaki şekilde döşeme boşluğunun zımbalama çevresi ile çakıştığı durumlar gösterilmiştir.

Perde veya grup perdelerde zımbalama çevresi (up), TS500 Bölüm 8.3.1 'e uygun olarak perde uç bölgesinde hesaplanmaktadır. Perde uç bölgesindeki zımbalama çevresi dış yüzeyinden d/2 mesafede ve perdenin ucundan a1 mesafesi kadar bir uzunlukta aşağıdaki şekilde gösterildiği gibi hesaplanmaktadır. a1 mesafesi perde veya perde kolonun uzunluğunun (h) yarısı ve perde kalınlığının (b) üç katı değerleri karşılaştırılarak küçük olan değer dikkate alınmaktadır.

Poligon kolonlarda zımbalama çevresi (up), TS500 Bölüm 8.3.1 'e uygun olarak kolon yüzeyinden ve köşelerinden d/2 mesafede teğetler çizilerek içbükeyliğin giderilmesi ile uygun geometrik şekil oluşturularak aşağıdaki örnek resimde gösterildiği gibi dikkate alınmaktadır.

TS500 Bölüm 8.3.1 'de birden fazla kritik kesit söz konusu ise her bir kesit için ayrı ayrı zımbalama hesabının yapılması gerektiği belirtilmiştir. Bu sebeple kolon ucuna döşeme başlığı tanımlandığında söz konusu kolon için iki ayrı zımbalama çevresi bulunur ve iki ayrı zımbalama hesabı yapılmaktadır. Birinci durumda kolon kenarlarından d/2 mesafede hesaplanan zımbalama çevresine göre zımbalama dayanımı kontrolü yapılır. Ancak burada döşeme faydalı yüksekliği (d), döşeme kalınlığı ve başlık kalınlığının toplamından paspayının çıkartılması ile elde edilir. İkinci durumda başlık kenarından d/2 mesafede hesaplanan zımbalama dayanımı kontrolü yapılır. Bu adımda döşeme faydalı yüksekliği (d) döşeme kalınlığından paspayının çıkartılması ile elde edilir. Her bir durumda oluşan kritik kesit elde edildikten sonra bu kesitler ayrı ayrı değerlendirilip zımbalama hesabı yapılmaktadır.

TBDY 2018 Zımbama Dayanımı
Döşemelerin doğrudan kolonlar tarafından taşındığı kirişsiz döşemeli sistemlerde ve radye temellerin kolonlara bağlandığı bölgelerde kolon çevresinde asal çekme gerilmeleri oluşur. Kolon çevresinde oluşan bu asal çekme gerilmeleri betonun çekme dayanımı aştığında, asal çekme gerilmelerine dik yönde çatlakların oluşması doğaldır. Asal çekme gerilmeleri genelde plak düzlemine 45o 'lik bir açı yaptığından çatlaklar da 45o 'lik bir açıyla oluşacaktır. Çatlakların oluşması ile kesme kuvvetini taşıyan betonun dayanımı büyük ölçüde azaldığından kolon, döşeme veya radye temel plağını zımbalayarak deler. TBDY 'ye göre zımbalama kontrolü aşağıdaki adımlarla yapılmaktadır.

TBDY Madde 7.11.8 'e göre Döşemedeki kayma gerilmeleri, yükleme doğrultusunda zımbalama çevresinin geometrik merkezine göre doğrusal olarak değiştiği kabul edilerek, döşemeye zımbalama çevresi ( up ) boyunca etki eden kayma gerilmeleri hesaplanabilir. Bu yöntem ile hesaplanan en yüksek kayma gerilmesi değeri, tasarıma esas döşeme zımbalama gerilmesi τpd değeri olarak kullanılmaktadır. Bu zımbalama gerilmesi moment etkisinden ötürü aşağıdaki şekilde gösterildiği gibi iki farklı değerde ortaya çıkmaktadır. Bu nedenle bu gerilmelerden moment yönünde olan gerilme τpd,1 , tersi yönünde olan gerilmeye ise τpd,2 olarak isimlendirilmektedir.

τpd,1 , τpd,2 : Tasarıma esas zımbalama gerilmelerini ifade etmektedir. Eksenel kuvvet ve eğilme momentlerinin etkisi dikkate alınarak döşeme oluşan en büyük ve en küçük zımbalama gerilmeleridir ve aşağıda gösterilen denklemler ile hesaplanmaktadır.
Bütün yükleme kombinasyonlarına göre yapılan zımbalama gerilmelerinin ( τpd,1 , τpd,2 ), mutlak değerce en büyük olan değeri betonun tasarım çekme dayanımı (fctd) değerini aşmaması gerekmektedir.
τpd,1 , τpd,2 ≤ fctd
Zımbalama gerilmelerinin bulunuşu ve formülerdeki terimler aşağıda sırası ile anlatılmıştır.
Zımbalama çevresi bir önceki alt başlıkta anlatılan kriterlere göre hesaplanır. Zımbalama çevresi hesaplandıktan sonra zımbalama alanı, Az hesaplanabilir.
Az : Zımbalama alanı. Zımbalama çevresinin döşeme faydalı yüksekliği, d, ile çarpılması ile elde edilmektedir.
Az = up x d
d: Döşeme faydalı yüksekliğini ifade eder. Döşeme kalınlığından döşemenin paspayının çıkartılması ile elde edilen değerdir.
Kirişsiz plak sistemlerdeki döşeme-kolon birleşimlerinde, düşey yüklerle beraber Dayanım Fazlalığı Katsayısı D ile artırılmış olan deprem etkileri altında kolona kat seviyesinde gözönüne alınan doğrultuda aktarılan toplam eğilme momentinin γf katsayısı ile artırılmasından elde edilen değerin eğilme donatısı ile, 1− γf katsayısı ile artırılmasından elde edilen değerin ise zımbalama (kayma) gerilmeleri yoluyla aktarıldığı kabul edilir.
γ : Zımbalama hesabında eğilme etkisini yansıtan katsayısıdır. TBDY 7.11.9 'a göre göz önüne alınan deprem doğrultusunda kolondan aktarılan toplam eğilme momentinin γ katsayısı ile çarpılmasından elde edilen değer eğilme donatısı ile γv (γv=1-γ ) katsayısı ile çarpılmasından elde edilen değerin zımbalama gerilmeleri ile aktarıldığı kabul edilmektedir. γ katsayısı TBDY Denklem 7.28 'de gösterildiği gibi hesaplanmaktadır.
Burada, dikdörtgen kesit olan zımbalama çevresinin boyutları, b1 (yükleme doğrultusunda) ve b2 (yüklemeye dik doğrultuda) dir. Aşağıdaki resimde bir köşe kolon için örneği gösterilmiştir.

γ katsayısı yükleme doğrultusuna göre zımbalama çevresinin her iki ekseninde (major ve minor eksenlerde) hesaplanmaktadır.
Bu durumda zımbalama gerilmeleri (τpd,1 , τpd,2) hesaplanırken Dayanım Fazlalığı Katsayısı D dikkate alınarak hesaplanmış eğilme momenti değerleri ( DMd(maj) , DMd(min) ) ile (γv=1-γ) katsayısı ile çarpılmaktadır.
c(maj) , c(min) : Zımbalama alanının kuvvetli ve zayıf eksen etrafındaki moment yönünde hesaplanan ağırlık merkezleridir. Aşağıdaki şekilde gösterildiği üzere moment yönüne c(maj) , c(min) değerleri değişkenlik göstermektedir.
c'(maj) , c'(min) : Zımbalama alanının kuvvetli ve zayıt eksen etrafındaki momentin ters yönünde hesaplanan ağırlık merkezidir. Aşağıdaki şekilde gösterildiği üzere moment yönüne c'(maj) , c'(min) değerleri değişkenlik göstermektedir.
Çubuk Sonlu Eleman Lokal Aksları bölümünde detaylıca anlatılan eleman yön kabulüne göre c(maj) , c(min) mesafeleri moment yönünde zımbalama alanının ağırlık merkezinden zımbalama alanının sınır çizgisine olan mesafelerdir. c'(maj) , c'(min) mesafeleri moment yönüne terz zımbalama alanının ağırlık merkezinden zımbalama alanının sınır çizgisine olan mesafelerdir.

Vd : Zımbalama hesabına esas tasarım kesme kuvveti değeridir. Kolon veya perdelerde, döşeme seviyesinin üstündeki ve altındaki bölgelerde oluşan düşey yükler ve deprem yüklerinin ortak etkisi altında hesaplanan eksenel basınç kuvvetlerinin farkı olarak hesaplanmaktadır.
Md(maj) , Md(min) : Kolonun kuvvetli ve zayıf ekseninde, düşey yükler ve deprem yüklerinin ortak etkisi altında hesaplanan ve döşeme zımbalama hesabına esas tasarım momentidir. Zımbalama gerilmeleri (τpd,1 ve τpd,2) hesaplanırken, düşey yükler ve Dayanım Fazlalığı Katsayısı D dikkate alınarak hesaplanan deprem yüklerinin ortak etkisi altında ortaya çıkan eğilme momenti değerleri ( Md(maj) , Md(min) ) kullanılmaktadır. Bu momentlerin yönüne göre gerilme dağılımı belirlenmektedir.
J(maj) , J(min) : Zımbalama alanını (Az) oluşturan yüzeylerin kuvvetli ve zayıf ekseni etrafındaki polar atalet ve ikinci momentlerinin toplamıdır. J değeri kuvvetli eksen ve zayıf eksende ayrı ayrı dikkate alınarak hesaplanmadır.
Örnek bir dikdörtgen kolonda tek bir yön için J değerlerinin hesabı aşağıdaki gibi yapılmaktadır. J değeri hem kuvvetli eksende hem de zayıf ekseninde ayrı ayrı hesaplanmaktadır.

J1 : Yukarıdaki şekilde eksene dik olan zımbalama alanının (kırmızı taralı alan) eksene göre polar atalet momentini göstermektedir.
J2 : Yukarıdaki şekilde eksene paralel olan zımbalama alanının (mavi taralı alan) eksene göre ikinci (atalet) momentini göstermektedir.
Zımbalama Donatısı Kullanımı
TBDY Madde 7.11.10 'a göre τpd ≤ fctd koşulunun sağlanmadığı ve plak kalınlığının 250 mm 'den büyük olduğu durumlarda zımbalama dayanımı zımbalama donatısı kullanarak arttırabilir.
Zımbalama donatısı olarak düzgün yayılı yerleştirilmiş çiroz veya sehpa donatıları kullanıldığında donatı plağının zımbalama dayanımı TBDY Denklem 7.29a 'da belirtilen denklem göz önüne alınarak en fazla 1.5fctd olmaktadır.
Zımbalama donatısı olarak kayma kaması kullanıldığında donatı plağın zımbalama dayanımı TBDY Denklem 7.29b 'de belirtilen denklem göz önüne alınarak en fazla 1.75fctd olmaktadır.

ρ : Birim alanda bulunan zımbalama donatısının kesit alanı
fyd : Zımbalama donatısının tasarım akma dayanımı
Zımbalama donatısı olarak birbirine dik iki doğrultuda kapalı etriye şeritleri kullanıldığı durumlarda TBDY Denklem 7.30a 'ya göre zımbalama dayanımı en fazla 1.5fctd olmaktadır.
Zımbalama donatısı olarak dik iki doğrultuda kayma kaması rayları kullanıldığı durumlarda TBDY Denklem 7.30b 'ye göre zımbalama dayanımı en fazla 1.75fctd olmaktadır.

Awp : Zımbalama çevresi üzerinde bulunan düşey zımbalama donatılarının toplam kesit alanı.
Zımbalama donatısı kullanarak zımbalama dayanımı, yukarıda belirtildiği üzere en fazla 1.5fctd veya 1.75fctd değerine yükseltilebilmektedir.
Zımbalama örnekleri için; Zımbalama Kontrolü Örnek 1 Zımbalama Kontrolü Örnek 2
Sonraki Konu