Çubuk Sonlu Eleman Lokal Aksları
Sonlu elemanlar ile yapılan analizde, çubuk sonlu elemanların (kolonlar ve kirişler) iç kuvvet değerleri (kesit tesirleri) yerel çubuk ekseni (lokal aks) yön kabulüne göre gösterilir. Üç boyutlu analiz yapılan bir çubuk elemanda 3 adet lokal aks bulunur. çubuk eleman lokal aksları çubuğun konumuna ve yerleşimine göre değişiklik gösterebilir.
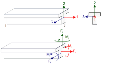
Çubuk elemanlarda lokal aksların örnek bir görüntüsü aşağıdaki resimde gösterilmiştir.

Çubuk elemanlarda lokal aksların numaraları ve renkleri arasındaki ilişki aşağıdaki gibidir.
1 yönü - Kırmızı
2 yönü - Yeşil
3 yönü - Mavi
Üç boyutlu analiz yapılan bir çubuk elemanın bir enkesitinde 6 serbestlik bulunmaktadır. Bunlar 1,2 ve 3 yönlerindeki ötelemeler ile 1,2 ve 3 etrafındaki dönmelerdir.

1 yönü - Kırmızı , ekseni yönünde oluşan kuvvet elemanın eksenel kuvvetini ifade etmektedir. 1 ekseni yönünde gösterilen kuvvet pozitif yön olarak dikkate alınmaktadır. Aynı zamanda çubuğun uzama yönündeki kuvvetin de pozitif olduğu anlamına gelmektedir. Diğer yandan çubuğun kısalma yönündeki kuvvet de negatif yön olarak dikkate alınmaktadır. 1 Çubuk elemanının enkesitinde eğer 1 yönündeki kuvvet pozitif ise elemanda eksenel çekme, negatif ise eksenel basınç oluşmaktadır. Eleman tasarım sonuçlarında “N” ile gösterilmektedir. “Ni” , i ucundaki eksenel kuvvet ve “Nj” , j ucundaki eksenel kuvvet anlamına gelmektedir.
1 yönü - Kırmızı , etrafındaki dönme, elemanın burulma momentini ifade etmektedir. Yukarıdaki resimde gösterilen 1 ekseni etrafındaki dönme serbestliği pozitif yön olarak dikkate alınmıştır. Elemanın burulma momenti yukarıdaki resimde gösterildiği şekli ile kesite karşıdan bakıldığında saat yönünün tersi ise pozitif, saat yönünde ise negatif burulma momentidir. Burulma momenti eleman tasarım sonuçlarında “T” ile gösterilmektedir. “Ti” , i ucundaki burulma momenti ve “Nj” , j ucundaki burulma momenti anlamına gelmektedir.
2 yönü - Yeşil , ekseni yönünde oluşan kuvvet kesme kuvveti olarak ifade edilmektedir. 2 ekseni ile gösterilen öteleme serbestliği pozitif yön olarak dikkate alınmıştır. Bu aynı zamanda elemanın major yönündeki kesme kuvveti değeridir. Çubuk elemanın enkesitindeki iç kuvvet vektörü eğer yukarıdaki resimde gösterildiği gibi 2 ekseni yönünde ise kesme kuvveti pozitif, 2 ekseninin tersi yönünde ise kesme kuvveti negatiftir. Eleman tasarım sonuçlarında 2 ekseni yönündeki kesme kuvveti “V2(maj)” ile gösterilmektedir. “V2i(maj)” , i ucundaki kesme kuvveti ve “V2j(maj)” , j ucundaki kesme kuvveti anlamına gelmektedir.
2 yönü - Yeşil , ekseni etrafındaki dönme serbestliği ile gösterilen şekil eğilme momenti olarak dikkate alınmaktadır. Yukarıdaki resimde gösterilen 2 ekseni etrafındaki dönme serbestliği pozitif yön olarak dikkate alınmaktadır. Şekilde gösterildiği gibi eleman kesitine karşıdan bakıldığında, 2 ekseni etrafındaki momentin pozitif olması durumunda kesitin sol tarafında basınç sağ tarafında çekme gerilmesi oluşmaktadır. 2 ekseni etrafındaki eğilme momenti eleman tasarım sonuçlarında “M2” ile gösterilmektedir. “M2i” , i ucundaki eğilme momenti ve “M2j” , j ucundaki eğilme momenti anlamına gelmektedir.
3 yönü - Mavi , ekseni yönünde oluşan kuvvet kesme kuvveti olarak ifade edilmektedir. 3 ekseni ile gösterilen öteleme serbestliği pozitif yön olarak dikkate alınmıştır. Kesme kuvvetinin vektörü yukarıdaki resimde gösterilen 3 ekseni yönünde ise pozitif, 3 ekseninin ters yönünde ise negatif değer almaktadır. Eleman tasarım sonuçlarında 3 ekseni yönündeki kesme kuvveti “V3” ile gösterilmektedir. “V3i” , i ucundaki kesme kuvveti ve “V3j” , j ucundaki kesme kuvveti anlamına gelmektedir.
3 yönü - Mavi , ekseni etrafındaki dönme serbestliği eğilme momenti olarak dikkate alınmaktadır. Yukarıdaki resimde gösterilen 3 ekseni etrafındaki dönme serbestliği pozitif yön olarak dikkate alınmaktadır. 3 ekseni etrafındaki eğilme momenti aynı zamanda major yöndeki veya kuvvetli eksendeki eğilme momenti olarak da isimlendirilir. Şekilde gösterildiği üzere eğilme momentinin pozitif olması durumunda kesitin üst bölümünde basınç gerilmesi alt bölümünde çekme gerilmesi oluşmaktadır. 3 ekseni etrafındaki eğilme momenti eleman tasarım sonuçlarında “M3(maj)” ile gösterilmektedir. “M3i(maj)” , i ucundaki eğilme momenti ve “M3j(maj)” , j ucundaki eğilme momenti anlamına gelmektedir.
Lokal koordinat sistemine göre eksenler ve uç kuvvet yönleri
Kirişler
Plandaki bir kirişe bakıldığında kirişe paralel eksen 1 ekseni, planda ona dik eksen 3 ekseni ve çalışma düzlemine dik düşey eksen 2 ekseni olarak düşünülmelidir. Sol uç i, sağ uç ise j 'dir.

Kolonlar ve perdeler
Kolonlarda ve perdelerde ise benzer şekilde kolonun güçlü doğrultusunu gösteren 2 ekseni, zayıf doğrultusunu gösteren aks 3 ekseni ve çalışma düzlemine dik düşey eksen 1 ekseni olarak düşünülmelidir. Alt uç i, üst uç ise j'dir.

Kolon ve kirişlerde iç kuvvetlerin yukarıda anlatılan eksenlerin pozitif yön kabullerine göre negatif ( - ) veya pozitif ( + ) olmaktadır.
Aşağıdaki resimde betonarme bir elemanın tasarım sonuçları gözükmektedir. Buradaki işaret kabulleri bu elemanın lokal akslarına göre yapılmaktadır. Aynı zamanda iç kuvvet diyagramlarının çizimleri de bu yönlere göre yapılmaktadır.

Aşağıdaki resimde basit bir modelim üç boyutlu analizinde kullanılan elemanların lokal aksları ve iç kuvvet [major eğilme momenti , M3(maj)] diyagramı gösterilmektedir. Lokal akslardaki yön kabullerine göre sarı renk ile gösterilen kuvvetler pozitif ( + ) , kırmızı renk ile gösterilen iç kuvvetler negatif ( - ) eğilme momentidir.

Sonraki Konu