Betonarme Yarı Rijit Diyafram Analiz Modeli
Yarı Rijit Diyafram döşeme rijitliklerinin analiz modelinde göz önüne alınarak, betonarme döşemelerin kabuk sonlu elemanlar (shell elemanlar) ile modellenmesi ile düzlem içi ve düzlem dışı gerilmelerin ve hareketin oluşabildiği diyafram kabulüdür.
Kolon ve kiriş elemanları, düğüm noktalarında 6 serbestlik derecesinin tümünün göz önüne alındığı çubuk sonlu elemanlar ile modellenir. Perdeler ve döşemeler, hem düzlem içi hem düzlem dışı yer değiştirmelere ilişkin serbestlik derecelerini içeren kabuk sonlu elemanlar (shell) ile modellenir. Kabuk sonlu elemanların düğüm noktalarında 6 serbestlik derecesinin tümü göz önüne alınır.
Yarı rijit diyafram modeli, döşeme rijitliğinin göz önüne alındığı durumu temsil eden analitik modeldir. Rijitlik hesabı, döşeme kalınlığı, ebatları ve malzeme parametrelerine bağlı olarak hesaplanır. Yarı rijit diyafram kabulü döşeme davranışının yapı analiz modelinde gerçeğe en yakın davranışını yansıtan kabuldür. Yarı rijit diyafram modelinde döşemeler iki boyutlu sonlu elemanlar (shell) ile modellenir. İki boyutlu sonlu elemanlar düzlem içi düzlem dışı hareket edebilmeleri ile shell eleman üzerinde gerilmeler oluşturur. Bu gerilme dağılımına göre betonarme döşeme tasarımı yapılır.
Çubuk Sonlu Elemanlar
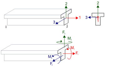
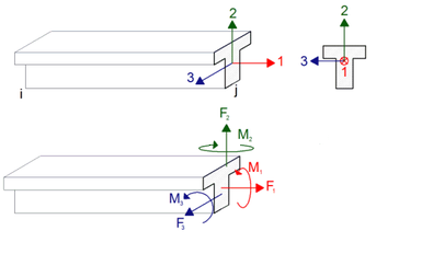
Çubuk sonlu elemanların (kolonlar ve kirişler) analiz sonucu bulunan iç kuvvetleri yerel çubuk ekseni (lokal aks) yön kabulüne göre gösterilmektedir. 3 boyutlu analiz yapılan bir çubuk elemanda 3 adet lokal aks bulunur. Bu lokal akslar çubuğun konumuna ve yerleşimine göre değişiklik gösterebilir. Çubuk elemanlarda lokal aksların örnek bir görüntüsü aşağıdaki resimde gösterilmiştir.

Çubuk elemanlarda lokal aksların numaraları ve renkleri arasındaki ilişki aşağıdaki gibidir.
1 yönü - Kırmızı
2 yönü - Yeşil
3 yönü - Mavi
Üç boyutlu analiz yapılan bir çubuk elemanın bir enkesitinde 6 serbestlik bulunmaktadır. Bunlar 1,2 ve 3 yönlerindeki ötelemeler ile 1,2 ve 3 etrafındaki dönmelerdir.

Detaylı bilgi için; Çubuk Sonlu Eleman Lokal Aksları
Kabuk Sonlu Elemanlar
Kabuk sonlu elemanların (döşemeler, perdeler ve poligon perdeler) üç boyutlu analiz sonucunda gerilmeler ve birim uzunluğa düşen kuvvetler oluştururlar. Bu gerilmelerin ve birim uzunluğa düşen kuvvetlerin yönleri kabuk sonlu elemanın lokal akslarına göre belirlenmektedir.
Kabuk sonlu eleman kuvvetleri, üç boyutlu analizlerde kabuk sonlu elemanlardan oluşan gerilmeler sonucu elde edilmektedir.

Kabuk sonlu elemanlar ile modellenmiş döşeme ve perdeler içeren bir yapının analiz sonuçları aşağıdaki gibi görülebilir.


Detaylı bilgi için; Kabuk Sonlu Eleman Lokal Aksları
Çubuk ve Kabuk Sonlu Eleman Bağlantıları
Yarı rijit diyafram çözümü için kurulan analiz modelinde kirişler, tanımlandığı boyutların rijitlikleri ile analiz sistemine dahil olur. Döşemeler ile bağlanan kirişlerde; kirişi temsil eden çubuk sonlu eleman, döşemeyi temsil eden shell elemanların düğüm noktalarından bölünerek analiz modeli oluşturulur. Bu sayede döşeme ve kirişlerin bir bütün halinde ve gerekli rijitlikte analiz modeline girmesi sağlanır.

Yarı rijit diyafram analiz modelinde kiriş elemanları için tablalı kesit kabulü yapılmamaktadır. Çünkü iki boyutlu sonlu elemanlar, çubuk elemana bağlanarak çubuk elemanın rijitlik matrisinde bir artışa sebep olacaktır. Bu durumda tablalı kiriş etkisi kabuk sonlu elemanlar ile verilmiş olur.
Döşeme, kiriş, kolon, perde betonarme elemanlarının analiz modeli oluşturulurken, çubuk ve kabuk sonlu elemanların düğüm noktaları otomatik şekilde bağlanır.

Yeşil Link Elemanları
Betonarme kolon ve kirişleri uzun ekseni doğrultusunda birbirine bağlar. Link elemanın uzunluğu, tanımlı olduğu kolon-kiriş birleşim bölgesindeki kolon boyutları ve kaçıklık durumu gözönüne alınarak kolon-kiriş yerleşimi ile uyumlu şekilde otomatik tanımlanır.

Betonarme kiriş ekseninde tanımlanan yeşil link elemanında, kirişin devamındaki link uzunluğunun yarısı, kiriş ile aynı rijitlik değerlerine, uzunluğun kalan yarısı çok yüksek eğilme ve kayma rijitliğine sahiptir. Yüksek rijitliğe sahip olan bölümde, kirişin lokal eksenine göre 3 yönündeki moment ve 2 yönündeki kesme rijitlikleri yüksek değere sahiptir. Kaçıklık olması durumunda bütün yönlerdeki rijitlikler yüksek (sonsuz) değerde tanımlanır. Aşağıdaki resimde bu durum gösterilmiştir. L uzunluğu link elemanının uzunluğu olarak tanımlanmıştır.

Kırmızı Link Elemanları
Betonarme döşemelerin betonarme kolonlar ile bağlantısı, kolon boyutları ve kaçıklık durumu gözönüne alınarak kırmızı renkli rijit link elemanları ile oluşturulur. Kırmızı link elemanları, döşemelerin tanımlandığı iki boyutlu sonlu elemanların (shell) düğüm noktaları ile kolonların tanımlandığı çubuk elemanların düğüm noktalarının bağlantısında kullanılır. Bu bağlantıların tüm serbestlik dereceleri yüksek (sonsuz) rijitliğe sahiptir.
Aşağıdaki resimde kirişsiz döşeme için kolon-döşeme bağlantıları gösterilmiştir. Döşemelerin kolonlara yakınlaştığı bölümlerde sonlu elemanlar kolon ile uyumu oluşturulur. Kolon alanı içerisine giren shell elemanlarının düğüm noktaları kırmızı link elemanı ile kolon düğüm noktasına bağlanır.

Sonlu eleman genişlikleri azaltıldığında bağlanan link elemanları da artacaktır.

Sonraki Konu
