Betonarme Tam Rijit Diyafram Analiz Modeli
Tam Rijit Diyafram modelinde döşemelerin düzlem içi rijitliklerinin çok büyük olduğu kabul edilerek, döşeme düzlem içi hareketin ihmal edildiği diyafram kabulüdür. Yarı rijit diyafram modelinden farklı olarak döşemelerin rijitlikleri çok büyük kabul edildiğinden döşemeler kabuk sonlu elemanlar ile modellenmez. Yarı Rijit Diyafram modelinde döşeme rijitlikleri analiz modelinde göz önüne alınır ve döşemeler kabuk sonlu elemanlar ile modellenir.
Kolon ve kiriş elemanları, düğüm noktalarında 6 serbestlik derecesinin tümünün gözönüne alındığı çubuk sonlu elemanlar ile modellenir. Perdeler, hem düzlem içi hem düzlem dışı yerdeğiştirmelere ilişkin serbestlik derecelerini içeren kabuk sonlu elemanlar (shell) ile modellenir. Kabuk sonlu elemanların düğüm noktalarında 6 serbestlik derecesinin tümü gözönüne alınır. Tam rijit diyafram analiz modelinde döşemelerin düzlem içi gerilmelerinin sıfır kabul edilmesi nedeniyle, döşemeler kabuk sonlu elemanı olarak modellenmez.
Tam rijit diyafram modeli, döşemenin rijitliğinin deprem etkilerini karşılaması için tasarlanan düşey taşıyıcı sistem elemanlarının rijitliğine göre oldukça büyük olduğu kabul edilerek analiz modeli oluşturulur. Kütle merkezi ile rijitlik merkezi arasındaki fark planda burulmaya sebebiyet verir. Tam Rijit diyafram ile analiz döşemelerde deprem etkisi altında düzlem içi şekildeğiştirmenin olmadığı veya çok az olduğu kabulüne dayanmaktadır. Bu şekildeğiştirme olmadığından döşeme düzlem içi gerilmeler de analiz modeline dahil edilmemektedir.
Çubuk Sonlu Elemanlar
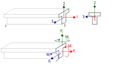
Çubuk sonlu elemanların (kolonlar ve kirişler) analiz sonucu bulunan iç kuvvetleri yerel çubuk ekseni (lokal aks) yön kabulüne göre gösterilmektedir. 3 boyutlu analiz yapılan bir çubuk elemanda 3 adet lokal aks bulunur. Bu lokal akslar çubuğun konumuna ve yerleşimine göre değişiklik gösterebilir. Çubuk elemanlarda lokal aksların örnek bir görüntüsü aşağıdaki resimde gösterilmiştir.

Çubuk elemanlarda lokal aksların numaraları ve renkleri arasındaki ilişki aşağıdaki gibidir.
1 yönü - Kırmızı
2 yönü - Yeşil
3 yönü - Mavi
Üç boyutlu analiz yapılan bir çubuk elemanın bir enkesitinde 6 serbestlik bulunmaktadır. Bunlar 1,2 ve 3 yönlerindeki ötelemeler ile 1,2 ve 3 etrafındaki dönmelerdir.

Detaylı bilgi için; Çubuk Sonlu Eleman Lokal Aksları
Kabuk Sonlu Elemanlar
Tam rijit diyafram analiz modelinde kabuk sonlu elemanlar perdeler için kullanılır. Perdeler için kullanılan kabuk sonlu elemanların (döşemeler, perdeler ve poligon perdeler) üç boyutlu analiz sonucunda gerilmeler ve birim uzunluğa düşen kuvvetler oluştururlar. Bu gerilmelerin ve birim uzunluğa düşen kuvvetlerin yönleri kabuk sonlu elemanın lokal akslarına göre belirlenmektedir.

Kabuk sonlu eleman kuvvetleri, üç boyutlu analizlerde kabuk sonlu elemanlardan oluşan gerilmeler sonucu elde edilmektedir.

Kabuk sonlu elemanlar ile modellenmiş döşeme ve perdeler içeren bir yapının analiz sonuçları aşağıdaki gibi görülebilir.
Detaylı bilgi için; Kabuk Sonlu Eleman Lokal Aksları
Çubuk ve Kabuk Sonlu Eleman Bağlantıları
Tam rijit diyafram çözümü için kurulan analiz modelinde kolonlar, tanımlandığı boyutların rijitlikleri ile analiz sistemine dahil olur. Döşemeler ile bağlanan kirişlerin analiz modeli kurulurken tablalı kesit kabulü yapılmaktadır. Aşağıdaki resimde dolu gövdeli sistem olarak gösterilen analiz modelinde kirişlerin uygun tabla boyutları hesaplanarak analiz modeline dahil edildiği gözlemlenebilir.

Perde ve kirişler, uygun link elemanları ile bağlanarak analiz modeli otomatik oluşturulur.

Perde kiriş bağlantısının analiz modeli oluşturulurken, kiriş elemanını temsil eden çubuk sonlu eleman, perdeyi temsil eden kabul sonlu elemanlarının birden fazla düğüm noktasına bağlanması ile kiriş-perde arasındaki gerçek davranışı simgelenir. Aşağıdaki resimde kiriş-perde bağlantısının analiz modelinde link elemanı ile bağlanan düğüm noktaları kırmızı ile işaretlenerek gösterilmiştir.

Yeşil Link Elemanları
Betonarme kolon ve kirişleri uzun ekseni doğrultusunda birbirine bağlar. Link elemanın uzunluğu, tanımlı olduğu kolon-kiriş birleşim bölgesindeki kolon boyutları ve kaçıklık durumu gözönüne alınarak kolon-kiriş yerleşimi ile uyumlu şekilde otomatik tanımlanır.

Betonarme kiriş ekseninde tanımlanan yeşil link elemanında, kirişin devamındaki link uzunluğunun yarısı, kiriş ile aynı rijitlik değerlerine, uzunluğun kalan yarısı çok yüksek eğilme ve kayma rijitliğine sahiptir. Yüksek rijitliğe sahip olan bölümde, kirişin lokal eksenine göre 3 yönündeki moment ve 2 yönündeki kesme rijitlikleri yüksek değere sahiptir. Kaçıklık olması durumunda bütün yönlerdeki rijitlikler yüksek (sonsuz) değerde tanımlanır. Aşağıdaki resimde bu durum gösterilmiştir. L uzunluğu link elemanının uzunluğu olarak tanımlanmıştır.

Sonraki Konu