Tek Tali Kiriş Ayarları
Tek Tali Kiriş Ayarları komutu ile kesit, açı, kot, yerleşim, materyal, çizim gibi ayarlara ulaşılır.
Tek Tali Kiriş Ayarları Komutunun Yeri
Tek Tali Çelik Kiriş komutu çalıştırıldıktan sonra ekrana gelen Çelik Kiriş yardımcı toolbarında bulunmaktadır.


Genel Ayarlar Sekmesi

Özellikler |
|---|
Eleman adı ![]() Kirişin planda, raporlarda ve çizimlerde görünen adıdır. |
Kesit ![]() Kullanılan profil görünür. Listeyi tıklayarak daha önceden tanımlanmış profillerden biri seçilebilir ya da Kesit Yükle butonu tıklandığında açılan diyalogdan yeni bir profil seçilebilir. |
Kesit yükle ![]() Hazır kesit kütüphanesine ulaşarak Amerikan ve Avrupa hazır hadde kesitlerinin listesine ulaşılır ve listeden seçim yapılır. |
Materyal ![]() Tek tali çelik için materyal seçilir. |
Döndürme açısı ![]() Kiriş eksenini göre kirişin açısını belirleyen değerdir. Verilen açı değerine göre kiriş kendi ekseni çevresinde döndürülerek çizilir. |
Kot ![]() Çelik kirişin ilgili kat tabanından yüksekliğini belirleyen değerdir. Pozitif kot kirişi yukarıya kaldırır. |
Sağ uç kotu ![]()
Eğimli kiriş yapmak için kullanılır. Kirişin sağ ucunun kat tabanına göre kot değeridir. |
Baştan dolu petek sayısı/Sondan dolu petek sayısı ![]() Petek profiller için, petek boşluklarının baştan ve sondan kaçıncı delikten sonra başlayacağını belirleyen sayıdır. Verilen sayıya kadar petek kiriş dolu olacaktır. |
Yerleşim şekli ![]() Kirişin kendi eksenine göre plandaki kaçıklığını belirleyen seçeneklerdir. Kirişin aks üzerine yerleşiminde 9 farklı kaçıklığın ayarlanmasını sağlar. Kiriş kesitine göre gösterilen şemada ilgili seçeneği işaretleyin veya kullanıcı tanımlı bölümde herhangi bir sayısal değer girin. |
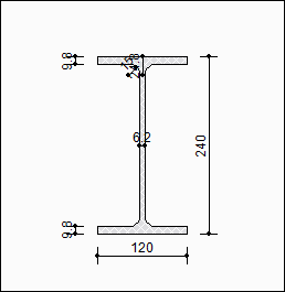
Şematik çizim ![]() Seçilen kesitin şematik çizimi ve ölçüleri gösterilir. |
Görünüm Sekmesi
Tek tali kiriş ayarları Görünüm alt sekmesinde plan ve perspektif ekran üzerinde elemanın renk, materyal ve plan etiketi ayarlamaları yapılır.

Özellikler |
|---|
Renk ![]() Kirişin kenar çizgilerinin rengidir. Farenin sol tuşu ile tıklanıp tuş basılı tutularak açılan renk paleti üzerinde kaydırılır. İstenen rengin üzerine gelindiğinde tuş bırakılır. Renk kutucuğu seçilen renge dönüşür. |
Çizgi tipi ![]() Planda kirişi oluşturan çizginin çizgi tipi seçilir. Kutucukların sağındaki aşağı ok butonları tıklandığında çizgi tipleri listesi açılır. Bu listeden istenen çizgi tipi farenin sol tuşu ile tıklanarak seçilir. |
Materyal ![]() Kirişin katı modelde üzerine kaplanacak materyal seçilir. Kiriş seçilen materyal ile kaplanır ve katı modelde bu şekilde görüntülenir. |
Gerçek doku uzunluğu ![]() Doku uzunluğu girilir. Örneğin; 1 metre girilirse seçilen materyal dokusu genişliği 1 metre olarak alınır ve seçilen obje üzerine kaplanır. Dokunun kare şeklinde olduğu düşünülürse obje yüzeyleri 1x1 ebadında dokular yan yana dizilerek kaplanır. |
Yazı yerleşimi ![]() Kiriş isminin kolona göre yazılacağı konumu diyalogdaki şekle göre belirlenir. Program kiriş oluşturulduğunda seçilen konuma göre elemanın adını yerleştirecektir. |
Boyut X/Boyut Y ![]() Kiriş ad yazısının kolon sağ üst köşesine göre X ve Y koordinatları girilir. Boyut X değeri pozitif olursa boyut yazısı sola, negatif olursa sağa kayar. Boyut Y değeri pozitif olursa boyut yazısı yukarıya, negatif olursa aşağıya kayar. |
Ad yazısı ![]() Kiriş adı yazısının yüksekliği girilir. Renk kutusu farenin sol tuşu ile tıklanıp tuş basılı tutularak açılan renk paleti üzerinde kaydırılır. İstenen rengin üzerine gelindiğinde tuş bırakılır. Renk kutucuğu seçilen renge dönüşür. Shift tuşu ile birlikte tıklanırsa, ilgili rengin kalem kalınlığı ayarlanabilir. Hemen alttaki buton tıklanırsa, Yazı Tipi Ayarları diyalogu açılır. Bu diyalogdan Kolon Ad Yazısı, yazı tipi ayarlanır. |
Kayma Çivileri Sekmesi

Özellikler |
|---|
Kayma çivisi ekleme ![]() İşaretlenirse hiç bir koşulda kayma çivisi modellenmez. |
Otomatik kayma çivisi yerleşimi ![]() İşaretli ise çelik döşeme - kompozit seçenekleri kullanılarak yapılan modellemede döşeme ayarlarında yer alan kayma çivisi parametreleri kullanılır. |
Her zaman kayma çivisi ekle ![]() İşaretli ise her durumda kayma çivisi yerleşimi 4 nolu kayma çivisi parametrelerinden bilgileri alarak yapılır. |
Kayma çivisi parametreleri ![]() Her zaman kayma çivisi ekle opsiyonu seçili ise aktif hale gelir ve çap, yükseklik, aralık, çekme dayanımı gibi parametrelerin belirlenmesi için kullanılır. |
Sonraki Konu




















