Koordinat Sisteminin Tanımı ve Eleman Uç Kuvvet Yönleri
Global koordinat sistemine göre eksenler
Z eksen düşey eksen (kâğıt düzlemine dik eksen) olmak üzere artı(+) yön yukarı doğrudur.
Sabit ağırlık G ise Z eksi(-) yönde aşağıya doğrudur.
X ekseni kâğıt düzleminde soldan sağa yön, artı(+) yöndür. Y ekseni ise kâğıt düzleminde X eksenine dik diğer eksendir ve pozitif yön sağ el kuralına göre belirlenir.

Proje (yapı tabanı), eksen takımının herhangi bir noktasında olabilir.

Lokal koordinat sistemine göre eksenler ve uç kuvvet yönleri
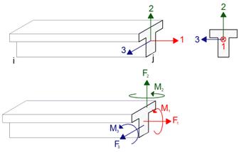
Kirişler
Plandaki bir kirişe bakıldığında kirişe paralel eksen 1 ekseni, planda ona dik eksen 3 ekseni ve çalışma düzlemine dik düşey eksen 2 ekseni olarak düşünülmelidir. Sol uç i, sağ uç ise j'dir.

Kolonlar ve perdeler
Kolonlarda ve perdelerde ise benzer şekilde kolonun güçlü doğrultusunu gösteren 2 ekseni, zayıf doğrultusunu gösteren aks 3 ekseni ve çalışma düzlemine dik düşey eksen 1 ekseni olarak düşünülmelidir. Alt uç i, üst uç ise j'dir.

Momentler kendi eksenini döndürür ve pozitif yön sağ el kuralına göre belirlenir.
Sabit ağırlık G ise 1 ekseni aşağı yöndedir.