Çelik Kiriş Ayarları
Çelik Kiriş Ayarları komutu ile kesit, açı, kot, yerleşim, yük seçimi, materyal, çizim gibi ayarlara ulaşılır.
Çelik Kiriş Ayarları Komutunun Yeri
Çelik kiriş komutu çalıştırıldıktan sonra ekrana gelen Çelik Kiriş yardımcı toolbarında bulunmaktadır.


Genel Ayarlar Sekmesi

Özellikler |
|---|
Eleman adı ![]() Kirişin planda, raporlarda ve çizimlerde görünen adıdır. |
Kesit ![]() Kullanılan profil görünür. Listeyi tıklayarak daha önceden tanımlanmış profillerden biri seçilebilir ya da Kesit Yükle butonu tıklandığında açılan diyalogdan yeni bir profil seçilebilir. |
Kesit yükle ![]() Hazır kesit kütüphanesine ulaşarak Amerikan ve Avrupa hazır hadde kesitlerinin listesine ulaşılır ve listeden seçim yapılır. |
Materyal ![]() Çelik kiriş için materyal seçilir. |
Döndürme açısı ![]() Kiriş eksenini göre kirişin açısını belirleyen değerdir. Verilen açı değerine göre kiriş kendi ekseni çevresinde döndürülerek çizilir. |
Kot ![]() Çelik kirişin ilgili kat tabanından yüksekliğini belirleyen değerdir. Pozitif kot kirişi yukarıya kaldırır. |
Sağ uç kotu ![]() Eğimli kiriş yapmak için kullanılır. Kirişin sağ ucunun kat tabanına göre kot değeridir. |
Baştan dolu petek sayısı/Sondan dolu petek sayısı ![]() Petek profiller için, petek boşluklarının baştan ve sondan kaçıncı delikten sonra başlayacağını belirleyen sayıdır. Verilen sayıya kadar petek kiriş dolu olacaktır. |
Deliklerin başlangıç noktasını ters çevir ![]() Petek profiller için, petek boşluklarının başlangıç noktasını ters çevirmektedir. Bu komut sayesinde petek kiriş boşluklarının yerleşimi elemanın sonundan yapılabilir. |
Yerleşim şekli ![]() Kirişin kendi eksenine göre plandaki kaçıklığını belirleyen seçeneklerdir. Kirişin aks üzerine yerleşiminde 9 farklı kaçıklığın ayarlanmasını sağlar. Kiriş kesitine göre gösterilen şemada ilgili seçeneği işaretleyin veya kullanıcı tanımlı bölümde herhangi bir sayısal değer girin. |
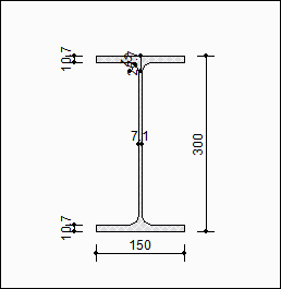
Şematik çizim ![]() Seçilen kesitin şematik çizimi ve ölçüleri gösterilir. |
Görünüm Sekmesi

Özellikler |
|---|
Renk ![]() Kirişin kenar çizgilerinin rengidir. Farenin sol tuşu ile tıklanıp tuş basılı tutularak açılan renk paleti üzerinde kaydırılır. İstenen rengin üzerine gelindiğinde tuş bırakılır. Renk kutucuğu seçilen renge dönüşür. |
Çizgi tipi ![]() Planda kirişi oluşturan çizginin çizgi tipi seçilir. Kutucukların sağındaki aşağı ok butonları tıklandığında çizgi tipleri listesi açılır. Bu listeden istenen çizgi tipi farenin sol tuşu ile tıklanarak seçilir. |
Materyal ![]() Kirişin katı modelde üzerine kaplanacak materyal seçilir. Kiriş seçilen materyal ile kaplanır ve katı modelde bu şekilde görüntülenir. |
Gerçek doku uzunluğu ![]() Doku uzunluğu girilir. Örneğin; 1 metre girilirse seçilen materyal dokusu genişliği 1 metre olarak alınır ve seçilen obje üzerine kaplanır. Dokunun kare şeklinde olduğu düşünülürse obje yüzeyleri 1x1 ebadında dokular yan yana dizilerek kaplanır. |
Yazı yerleşimi ![]() Kiriş isminin kolona göre yazılacağı konumu diyalogdaki şekle göre belirlenir. Program kiriş oluşturulduğunda seçilen konuma göre elemanın adını yerleştirecektir. |
Boyut X/Boyut Y ![]() Kiriş ad yazısının kolon sağ üst köşesine göre X ve Y koordinatları girilir. Boyut X değeri pozitif olursa boyut yazısı sola, negatif olursa sağa kayar. Boyut Y değeri pozitif olursa boyut yazısı yukarıya, negatif olursa aşağıya kayar. |
Ad yazısı ![]() Kiriş adı yazısının yüksekliği girilir. Renk kutusu farenin sol tuşu ile tıklanıp tuş basılı tutularak açılan renk paleti üzerinde kaydırılır. İstenen rengin üzerine gelindiğinde tuş bırakılır. Renk kutucuğu seçilen renge dönüşür. Shift tuşu ile birlikte tıklanırsa, ilgili rengin kalem kalınlığı ayarlanabilir. Hemen alttaki buton tıklanırsa, Yazı Tipi Ayarları diyalogu açılır. Bu diyalogdan Kolon Ad Yazısı, yazı tipi ayarlanır. |
Yükler Sekmesi

Özellikler |
|---|
Duvar yükü ![]() Listeden uygun duvar yükü seçilir. Listedeki duvar yükleri yük kütüphanesinde tanımlanmış yüklerdir. Bu değerlerden farklı bir değeri duvar yükü olarak belirtmek istenirse, listeden kullanıcı tanımlı satırı seçilir ve uygun değer verilir. Değer, kirişin üzerinde bulunan duvarın 1 metresindeki ağırlığı olarak tanımlanmalıdır. |
Duvar yüksekliği ![]() Duvarın yüksekliği isteğe göre belirlenebilir. Temiz duvar boyu, kat yüksekliğinden kat içindeki kiriş yükseklikleri çıkarılmalıdır. Duvar yüksekliğinin kullanıcı tarafından belirlenmesi durumunda duvar yükü bu yüksekliğe ve belirlenen duvar birim ağırlığına göre hesaplanacaktır. |
Otomatik duvar yüksekliği ![]() Seçenek işaretlenirse program ilgili kirişlerin ayarlı kaçıklıklarına göre kat yüksekliğinden kiriş yüksekliğini çıkararak temiz duvar boyunu otomatik hesaplar ve sabit yükü hesaplarken bu yüksekliği kullanır. |
Hareketli yük ![]() Kiriş üzerinde tanımlanabilecek ekstra ilave hareketli yüktür. Kirişe sistemin dışında ekstra yük tanımlanacaksa kullanılabilir. Listeden uygun değer seçilir. Listedeki yükler yük kütüphanesinde tanımlanmış yüklerdir. Bu değerlerden farklı bir değeri yük olarak belirtmek isterseniz, listeden kullanıcı tanımlı satırı seçilir ve uygun değer verilir. |
Eğrilik Sekmesi

Özellikler |
|---|
Eğrilik yarıçapı ![]() Kiriş yüksekliğini baz alan yay parçasının merkezine göre yarıçap değeri verilir. Negatif değer diğer tarafa eğrisellik oluşturacaktır. |
Tepe yüksekliği ![]() Yükseklik değeri tonoz elemanının orta yüksekliğine, eğrilik elemanının orta eksen yüksekliğine göre verilmektedir. |
Parçalar arasındaki açı farkı ![]() Eğrilik oluştururken kullanılan parçalar arasındaki açı farkı. Hassasiyet arttıkça işlem hızı düşer. |
Eğilme düzlemi ![]() Eğriselliğin yatay mı yoksa düşey mi olacağını belirlenir. |
Kayma Çivileri Sekmesi

Özellikler |
|---|
Kayma çivisi ekleme ![]() İşaretlenirse hiç bir koşulda kayma çivisi modellenmez. |
Otomatik kayma çivisi yerleşimi ![]() İşaretli ise çelik döşeme - kompozit seçenekleri kullanılarak yapılan modellemede döşeme ayarlarında yer alan kayma çivisi parametreleri kullanılır. |
Her zaman kayma çivisi ekle ![]() İşaretli ise her durumda kayma çivisi yerleşimi 4 nolu kayma çivisi parametrelerinden bilgileri alarak yapılır. |
Kayma çivisi parametreleri ![]() Her zaman kayma çivisi ekle opsiyonu seçili ise aktif hale gelir ve çap, yükseklik, aralık, çekme dayanımı gibi parametrelerin belirlenmesi için kullanılır. |
Sonraki Konu





























