Serbestlik Dereceleri
Çelik Yapı analiz modeli oluşturulurken arayüzde tanımlanan kolon, kiriş, tali kiriş, çapraz, makas, aşık elemanları sonlu elemanlar yöntemine göre üç boyutlu analitik modele dönüştürülür. Çelik yapı elemanları 6 serbestlik derecesinin tümünün göz önüne alındığı çubuk sonlu elemanlar ile modellenir. Bu modellemede kullanılan birleşim tiplerine ve isteğe bağlı tanımlanan serbestlik derecelerine (örn. mafsal) göre analiz modeli farklılık gösterir.
Çelik elemanlarda serbestlik dereceleri tanımlanan birleşimler ile doğrudan ilişkilidir. Tanımlanacak birleşim tipine göre rijit birleşim, mafsallı birleşim ve yarı rijit birleşimlerin davranışları analiz modeline yansıtılmaktadır.
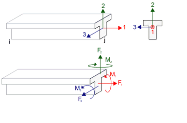
Üç boyutlu analiz yapılan bir çubuk elemanın bir enkesitinde 6 adet serbestlik bulunmaktadır. Bunlar 1,2 ve 3 yönlerindeki ötelemeler ile 1,2 ve 3 etrafındaki dönmelerdir.

1 yönü - Kırmızı , ekseni yönünde oluşan kuvvet elemanın eksenel kuvvetini ifade etmektedir. 1 ekseni yönünde gösterilen kuvvet pozitif yön olarak dikkate alınmaktadır. Aynı zamanda çubuğun uzama yönündeki kuvvetin de pozitif olduğu anlamına gelmektedir.
1 yönü - Kırmızı , etrafındaki dönme, elemanın burulma momentini ifade etmektedir. Yukarıdaki resimde gösterilen 1 ekseni etrafındaki dönme serbestliği pozitif yön olarak dikkate alınmıştır. Elemanın burulma momenti yukarıdaki resimde gösterildiği şekli ile kesite karşıdan bakıldığında saat yönünün tersi ise pozitif, saat yönünde ise negatif burulma momentidir.
2 yönü - Yeşil , ekseni yönünde oluşan kuvvet kesme kuvveti olarak ifade edilmektedir. 2 ekseni ile gösterilen öteleme serbestliği pozitif yön olarak dikkate alınmıştır. Bu aynı zamanda elemanın major yönündeki kesme kuvveti değeridir. Çubuk elemanın enkesitindeki iç kuvvet vektörü eğer yukarıdaki resimde gösterildiği gibi 2 ekseni yönünde ise kesme kuvveti pozitif, 2 ekseninin tersi yönünde ise kesme kuvveti negatiftir.
2 yönü - Yeşil , ekseni etrafındaki dönme serbestliği ile gösterilen şekil eğilme momenti olarak dikkate alınmaktadır. Yukarıdaki resimde gösterilen 2 ekseni etrafındaki dönme serbestliği pozitif yön olarak dikkate alınmaktadır. Şekilde gösterildiği gibi eleman kesitine karşıdan bakıldığında, 2 ekseni etrafındaki momentin pozitif olması durumunda kesitin sol tarafında basınç sağ tarafında çekme gerilmesi oluşmaktadır.
3 yönü - Mavi , ekseni yönünde oluşan kuvvet kesme kuvveti olarak ifade edilmektedir. 3 ekseni ile gösterilen öteleme serbestliği pozitif yön olarak dikkate alınmıştır. Kesme kuvvetinin vektörü yukarıdaki resimde gösterilen 3 ekseni yönünde ise pozitif, 3 ekseninin ters yönünde ise negatif değer almaktadır.
3 yönü - Mavi , ekseni etrafındaki dönme serbestliği eğilme momenti olarak dikkate alınmaktadır. Yukarıdaki resimde gösterilen 3 ekseni etrafındaki dönme serbestliği pozitif yön olarak dikkate alınmaktadır. 3 ekseni etrafındaki eğilme momenti aynı zamanda major yöndeki veya kuvvetli eksendeki eğilme momenti olarak da isimlendirilir.
Çelik elemanlarda tanımlanan birleşimler, yukarıda anlatılan serbestlik derecelerinde değişikliğe sebep olmaktadır. Bu değişiklikler analiz modeli uygun şekilde yansıtılarak iç kuvvetler ve sonrasında eleman tasarımı uygun şekilde yapılmalıdır.
Serbestlik derecelerine göre bağlantı tipleri aşağıda sırasıyla tanımlanmıştır.
Rijit Bağlantı
Rijit bağlantı, çelik elemanların herhangi bir mesnet koşulu tanımlamadan oluşturulan ve 6 serbestlik derecesinin tamamı için rijitlik oluşturur ve iç kuvvet alır.

Herhangi bir çelik elemanda rijit bağlantı uygulanabilmesi için uç serbestliklerin kapalı halde kalması yeterlidir.

Mafsallı Bağlantı (Dönme serbestliği)
Mafsallı bağlantı, birbirlerine bağlana çelik elemanların dönmeye karşı serbest olduğu ve bu durum sonucunda eleman ucunda bir momentin oluşmadığı bağlantı türüdür. Çelik eleman ucuna herhangi bir kayma birleşimi (mafsallı birleşim) tanımlandığı durumda, çubuk elemanın lokal akslarına göre M2 ve M3 momentleri için serbestlik tanımlanmış olur. Bu durumda yapılan analiz sonucunda mafsallı bağlantı yapılan çubuğun uç kuvvetlerinde M3 ve M2 momentleri sıfır olacaktır.

Herhangi bir çelik elemanın i ve j ucu için mafsallı bir bağlantı tanımlanmak istenirse, çelik eleman özelliklerinin serbestlikler sekmesinden ilgili uçlardaki M2 ve M3 kutucukları işaretlenerek, yay değerleri “0” sıfır olarak girilir.

NOT: Çelik elemana bir kayma birleşimi tanımlanmış ise, ideCAD Statik mafsallı bağlantıyı otomatik şekilde tanımlayarak analiz modelini oluşturur.
Kolon ayağı birleşimi için rijit ve mafsallı kolon ayağı örnekleri analiz modeli ile birlikte gösterilmiştir.

Makas elemanları için tanımlanan mafsallı bağlantılar ve analiz modeli aşağıdaki resimde gösterilmiştir.

Öteleme serbestliği
Öteleme serbestliği, eksenel yük ve kesme kuvvetlerinin serbestliğidir. Aşağıdaki resimde gösterilen birleşim için, kirişe dik düzlemde hareket edebileceği bulun delikleri açıldığından kiriş için eksenel öteleme serbestliği verilmiş olacaktır.

Bu durumu analiz modelinde oluşturmak için çelik eleman özelliklerinin serbestlikler sekmesinden ilgili uçtaki F1 serbestliğini işaretlemek ve yay değerini “0” sıfır girmek gerekir.

Sonraki Konu