Petek Kiriş Tasarımı
Petek Kiriş Kesitleri
Altıgen boşluklu, dairesel boşluklu, sekizgen boşluklu ve angelina kesitler tanımlanabilir. Altıgen boşluklu ve dairesel boşluklu kesitlerin tasarımları yapılmaktadır.

İki Eksenli Eğilme ve Eksenel Basınç Kontrolü
Akma Sınır Durumu
Akma sınır durumu için dolu gövdenin karakteristik eğilme momenti dayanımı Mn ÇYTHYEDY’e uygun olarak bulunur.

Lb<Lp durumunda
Eleman yanal burulmalı burkulma sınır durumuna karşı güvenlidir ve eğilme momenti dayanımı Denklem 9.2' ye göre hesaplanır.
Lp<Lb<Lr durumunda
Yanal burulmalı burkulma sınır durumu dikkate alınarak eğilme momenti dayanımı Mn aşağıdaki gibi hesaplanır.

Lb>Lr durumunda
Elemanın elastik burkulma durumu göz önüne alınarak eğilme momenti dayanımı Mn aşağıdaki gibi hesaplanmaktadır.

Eksenel Basınç
Petek kirişin dolu gövdeli bölümü için eksenel basınç kapasitesi aşağıdaki gibi hesaplanmaktadır.

Birleşik Etkiler

Kayma Kontrolü
Brüt ve Net Alanda Kayma Kontrolü
Brüt alanda kayma, petek kirişin dolu gövdeli bölümünü; net alanda kayma petek kirişin boşluklu bölümünü dikkate alarak aşağıdaki gibi hesaplanmaktadır.

Yatay Kesme Kontrolü
Petek kiriş gövdesine gelen kesme kuvveti denge denklemi kullanılarak hesaplanır ve kayma dayanımı ile karşılaştırılır.

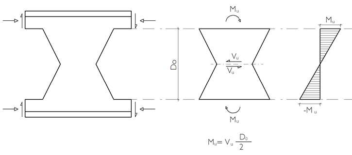
Vierendeel Kontrolü
Eksenel Kuvvet ve İki Eksenli Eğilme Etkisi
Petek kiriş boşluğunun üzerinde bulunan T kesite gelen etkiler denge denklemleri yardımı ile bulunur. Bu kuvvetler hesaplanırken statik analizde bulunan iç kuvvet diyagramları kullanılır. T kesit üzerine gelen eğilme momenti ve eksenel kuvvet denge denklemleri ile hesaplanır. Daha sonra T kesitin eğilme ve eksenel kuvvet dayanımları bulunarak birleşik etkiler göz önüne alınır.


Gövde Burkulması Kontrolü
Gövdeye Etkiyen Kuvvetler
Petek kiriş boşluklarının arasında kalan dolu gövdeli bölümün üst ve alt sınırına gelen eğilme momenti değerleri bulunur ve dikdörtgen kesite göre yanal burulma burkulması kontrolü yapılır.

Gövde Burkulma Dayanımı
Petek kiriş boşluklarının arasında kalan dolu gövdeli bölüm ÇYTHYEDY 9.11'e göre hesaplanmaktadır.

Sonraki Konu