Kapı/Pencere Çiziminde Duvar İzi
Duvar izleri özelliğiyle kapı/pencere yerleştirildikten sonra altında kalan duvarın izi çizimlerde gösterilir. Çizginin rengi ve tipi seçilir, istenirse rengi duvar rengi ile aynı yapılır.
Duvar İzleri Özelliğinin Yeri
Kapı/pencere ayarları diyaloğu çizim sekmesinden duvar izleri özelliğine ulaşabilirsiniz.

Özellikler |
|---|
Duvar izleri ![]() Kapı/pencere yerleştirildikten sonra altında kalan duvarın izi çizimlerde çıksın isteniyorsa işaretlenir. |
İz rengi kapı/pencere ile aynı ![]() Seçenek işaretlenerek çizgi rengi duvar rengi ile aynı yapılır. |
Çizgi rengi ![]() Duvar izi çizgi rengi seçilir. |
Çizgi tipi ![]() Duvar izi çizgi tipi seçilir. |
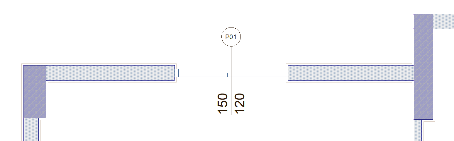
Duvar izleri aktif değilken |
![]() |
Duvar izleri aktifken - farklı çizgi tipi ve renkle |
![]() ![]() ![]() |
Sonraki Konu







